Nabend!
(Mensch, mir fällt gerade auf, dass ich echt ne Weile nichts mehr ins Forum geschrieben habe.)
Da der "Stromlaufplan" des Fußschalters nicht im Stromlaufplan des Verstärkers abgebildet ist, kann man davon ausgehen, dass dieser eben nicht nur ne Hand voll Widerstände und Dioden verbaut hat. (no
shit flobert

)
Man kann den
Verstärker imho
grundsätzlich schon so umbauen, dass man die verschiedenen Zustände mit einem anderen Fußschalter ferngeschaltet bekommt.
Es müssen aber auf jeden Fall Modifikationen im und am Amp durchgeführt werden. Will man bei einem zweipoligen Anschlusskabel (Klinke-Klinke) bleiben, dann ist der Aufwand schon immens und lohnt sich imho
nicht.
Also:
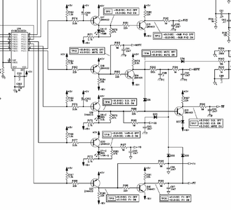
Grundsätzlich steht ja eigentlich alles im Stromlaufplan.
Die Transistoren Q17-Q21 müssen entsprechend durchschalten, damit die gewünschte Funktion aktiviert wird.
Die Zustände und dazu notwendigen Spannungen sind an Testpunkten (TP11-TP20) beschrieben.
Mit einem passenden, angeschlossenen FTSW wird der Schaltzustand vom
PIC (U14 bzw. IC14: Datenblatt im Link) erkannt und entsprechend umgesetzt.
Möglicher Workaround/Hüftschuss, wenn man keinen OG-FTSW hat:
-> Je Funktion (OD, Loop, Mute) wird ein Schalter benötigt. (Zwei Adern! GND + Schaltsignal*)
-> Über einen WIderstand wird die Basis des gewünschten PNP nach GND gezogen.=> Der Transistor schaltet durch. => Die entsprechende LED (am Amp) leuchtet und die dazugehörige Funktion wird aktiviert.

*Ich kann mir durchaus vorstellen, dass man den Amp so modifiziert, dass man zwei Funktionen mit einem Stereo-FTSW schalten kann.
Dieser FTSW kann dann auch LED verbaut haben, die den Zustand anzeigen. (Schirm = Masse, Tip = Funktion1, Ring =Funktion2)
Wenn ich persönlich so richtig Bock auf eine solche Aktion hätte, dann würde ich wahrscheinlich die FTSW-Buchse im Amp hierfür hernehmen (vgl. Seite 2, Service Manual) und entsprechend modifizieren. All dies sollte sich so gestalten lassen, dass es in den Originalzustand zurückgebaut werden kann. (Ohne Gewähr - Hierfür muss man die PCB begutachten)
Hinweis: Der Fußschalter vom TBP1 ist nicht kompatibel zum TB600/1200 und umgekehrt. Das verhält sich wie Schallplatte zu CD.
Braindrop:
Vielleicht bekommen wir ja einen "Gutshot" eines passenden/originalen FTSW?
Bei meiner kleinen Recherche sind mir dann noch die anderen Fußschalter von Fender ins Auge gesprungen, welche ein
Display verbaut haben. Vll. sind die ja kompatibel?
Ich habe uns/euch mal beide Service-Manuals angehängt. Irgendwann braucht die immer jemand.
