cfortner's neueste Aktivitäten

  • cfortner
    cfortner reagierte auf den Beitrag von EPBBass im Thema IEM Home mit Like Like.
    Wenn wir von den selben Modellen reden, dann sind das keine Sleeves, sodern IEM fest in einem Gehäuse verbaut. Ob sich das "lohnt"...
  • cfortner
    Die Schaltung dient dazu einen niedrigeren Dämpfungsfaktor ähnlich der von Röhrenendstufen zu simulieren. Aber soweit mir bekannt hatte...
  • cfortner
    cfortner antwortete auf das Thema Mesa Boogie Home - Mesa Engineering.
    Ich bin auch gespannt. Die sind bis 1600V SS spezifiziert (max. +/- 800V), knapp unter 800V Anodenspannung bei Teil- bis Volllast sollte...
  • cfortner
    cfortner antwortete auf das Thema IEM Home.
    Die verschmutzen eher durch das Ohrenschmalz, wenn sie durchsichtig sind. Deshalb habe ich schwarz genommen.
  • cfortner
    cfortner antwortete auf das Thema Kicad-Thread? Wer hat Lust?.
    Ein grundsätzliches Problem genau bei dieser Platine ist die Hochvolt-Auslegung bis ca. 600V. Da wird es Vorschriften und Regeln geben...
  • cfortner
    cfortner antwortete auf das Thema IEM Home.
    Das sehe ich auch so. Das ist auf jeden Fall so, wenn auch sehr langsam und eher wenig (im Gegensatz zur Ohrmuschel (Akromegalie).
  • cfortner
    cfortner reagierte auf den Beitrag von oldschool im Thema Die schönen alten Dynacords... mit Like Like.
    ...da habe ich sogar hier im Tröt noch meine eigenen von der Imperator-Restaurierung...aber erstmal sehen, ob ich um die Fummelei...
  • cfortner
    cfortner antwortete auf das Thema Mesa Boogie Home - Mesa Engineering.
    Musst Du mal auf der Homepage ansehen: https://www.verellendevices.com/ Habe sechs Stück vorbestellt.
  • cfortner
    ...und ein solcher Amp wird an jeder Box etwas anders klingen wie eine Röhrenendstufe auch, weil die Eigenschwingungen der Speaker...
  • cfortner
    cfortner antwortete auf das Thema IEM Home.
    Ich habe nur weiche Otoplastiken, weil mein Gehörgang einen Knick hat und feste nicht tief genug reinpassen. Geht gut, etwas Gleitcreme...
  • cfortner
    cfortner antwortete auf das Thema Mesa Boogie Home - Mesa Engineering.
    Was Mesa da gebaut hat, scheint tatsächlich innovativ zu sein. Der 800 D hat auch eine Schaltung zur Simulation des höheren...
  • cfortner
    cfortner reagierte auf den Beitrag von quarkfrosch im Thema 15m Midi Kabel mit Antwort hilfreich! Antwort hilfreich!.
    ..und falls es mal richtig lange Wege zu midifizieren gillt: Kenton LNDR Linedriver Wandelt von Midi in/out auf Cat 5 Ethernet Kabel und...
  • cfortner
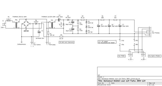
    Moin, ich bastele ja einige Sachen und habe das Erstellen von Platinen bislang outgesourced, ein Bassic-Mitglied hat mir geholfen, das...
    • Mesa Walkabout NT zwei Trafos.jpg
    • Mesa NT eine Platine gross.jpg
  • cfortner
    cfortner antwortete auf das Thema IEM Home.
    Die Latenz liegt bei ca. 3ms, glaube ich, das ist sehr gut für IEM und sollte kein Problem für Sänger sein, auch wenn man eine...
  • cfortner
    cfortner reagierte auf den Beitrag von TJK im Thema IEM Home mit Antwort hilfreich! Antwort hilfreich!.
    Habe nach dem Einstieg ins Wireless-IEM mit dem Debra ST-102 nun auf das Mipro MI-58RT gewechselt und kann es nur loben. Preislich noch...
Zurück
Oben Unten