Folge dem Video um zu sehen, wie unsere Website als Web-App auf dem Startbildschirm installiert werden kann.
Anmerkung: Diese Funktion ist in einigen Browsern möglicherweise nicht verfügbar.
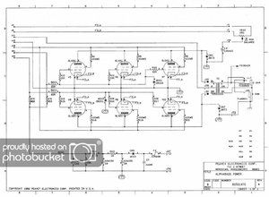
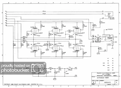
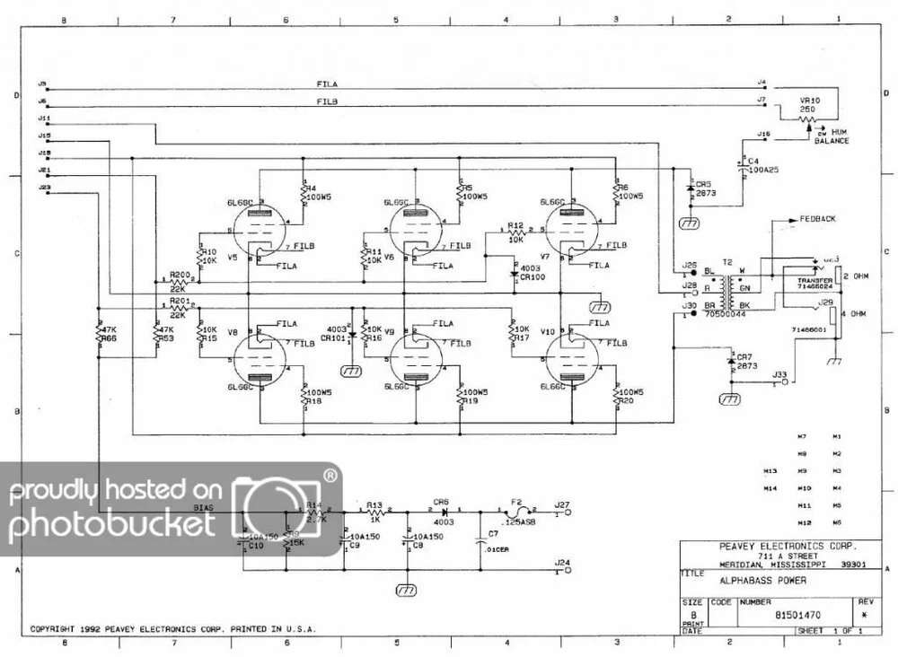
in dem Kästchen über der Endstufe ist der Netzschalter incl. Primärseite des Trafos. Die Schweineigel haben den Lüfter doch tatsächlich ohne galvanische Trennung direkt ans Netz gehängt!
Das ist auch wieder war, hat aber nichts mit galvanischer Trennung des 220v Lüfters zu tunDas bedeutet aber, dass ein 12-V-Lüfter nur mit zusätzlichem Netzteil hineinpasst.
wenn die Kapazität der Versorgung ausreicht.
"Frage" nehme ich an.Was bedeutet eigentlich das "F:" in der Überschrift?![]()
Ah, danke."Frage" nehme ich an.
Gruss
claudio
. Der AC Lüfter ist auf Seite 5. Die Preampspeisung hätte Abgriffe für 15V+ DC, 15V- DC sowie 24V+ DC.
haben den Lüfter doch tatsächlich ohne galvanische Trennung direkt ans Netz gehängt!
wenn die Kapazität der Versorgung ausreicht
Nix basteln wegen Netzteil o.ä., einfach 1:1 getauscht und fertig.
"Frage" nehme ich an.
Oh!Genau...
Hab ich mir in Foren so angewöhnt..
F... Frage
B... Biete
V... Verkaufe
S... Suche
T... Tausche
@Youth
Hast du das Projekt weitergebracht?
werde den AlphaBass abgeben..dann denk an mich, wenn es soweit sein sollte...nein.. ich hab nix weitergemacht... wie gesagt... die Reinigungsaktion hat soweit Erfolg gebracht, dass man den Amp auch zwischen Spielpausen nicht als Störend empfindet... also passt es mal..
durch Krankheit in der Familie und fast keine Proben mehr, bin ich von dem Thema abgekommen, wenn ich es nochmals angegangen wäre, wäre es einfach so ein mouser (Link auf der Vorderseite) geworden..
werde den AlphaBass abgeben..
