E
Folge dem Video um zu sehen, wie unsere Website als Web-App auf dem Startbildschirm installiert werden kann.
Anmerkung: Diese Funktion ist in einigen Browsern möglicherweise nicht verfügbar.
Hi, falls Du jemanden zum Modden brauchst, kannst du mir ne PN senden.Moin, ich hab Teile des Threads gelesen (ist halt schon sehr lang). Ich suche eine leistungsstarke Endstufe, der HB 800B ist sehr interessant.
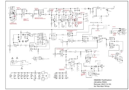
Gibt es eine Liste mit allen möglichen Mods?
Gibt es jemanden, der die Mods gegen Bezahlung durchführen kann?
Johannes
Danke für die Blumen.@bassicer Woher hast du die schönen Potis deines sehr gelungenen Frontdesigns?
Mein Block 800B MK2 ist nun angekommen und auf Herz und Nieren geprüft, soweit die hier zuhause denn möglich ist, und für gut befunden.Ich habe mir eben einen gebrauchten Block 800B MK2 bei kleinanzeigen.de gekauft.
Bin sehr gespannt, wie er mir gefällt, und ob und welche Mods ich letztendlich vornehmen werde.
@cfortner ist Deiner gemodded?
Steuert der Vong den Comp parallel an? Weil HFP steht bei ca. 8 Uhr...Bin gerade im Proberaum angekommen:
Meiner ist noch ungemodded.ist Deiner gemodded?
Meiner ist auch noch ohne Mod. Gain auf 14 Uhr, Master auf 10. Ordentlich laut und keine Probleme. Bin spaßeshalber mal mit meinem gepimpten HB Jazzy direkt rein. Dazu ne 410er FMC. Echt Wahnsinn, was man für die schmale Mark an Sound bekommt.Meiner ist noch ungemodded.
Ich habe noch nicht einmal den dicken Roten geknipst, brauche ich lautstärketechnisch bei meinem Gebrauch wohl auch nicht.
Ab welcher Einstellung Gain / Master wirds dort kritisch mit der Gefahr des Abschaltens?
Der ist aus.Steuert der Vong den Comp parallel an? Weil HFP steht bei ca. 8 Uhr...
