stoiker
Well-Known Member
Mach ich.
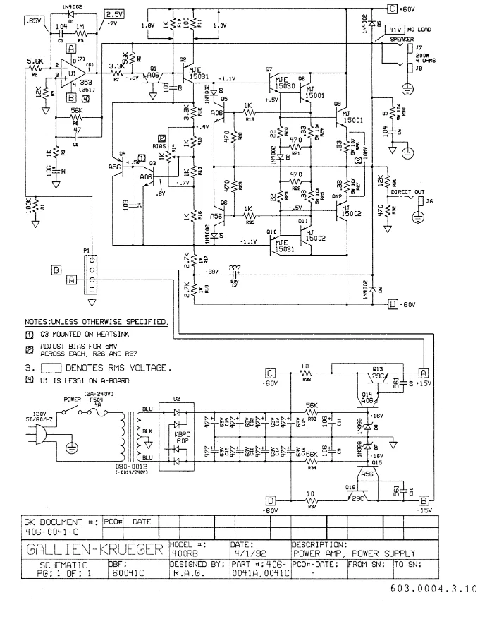
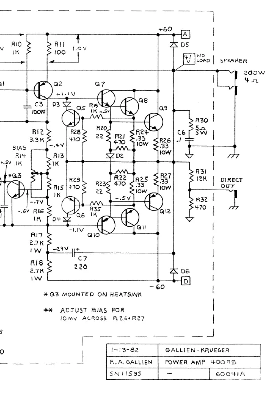
Wenn ich den Schaltplan richtig verstehe ist der Signalweg: In -> EQ -> Effekt-Loop -> DI / Out d.h. du müsstest den DI-out am GK eigentlich auch jetzt schon wie gewünscht nutzen können.
greift der di out des gk das signal vor oder nach dem eq ab?
Wenn ich den Schaltplan richtig verstehe ist der Signalweg: In -> EQ -> Effekt-Loop -> DI / Out d.h. du müsstest den DI-out am GK eigentlich auch jetzt schon wie gewünscht nutzen können.
