G
Gast80633
Guest
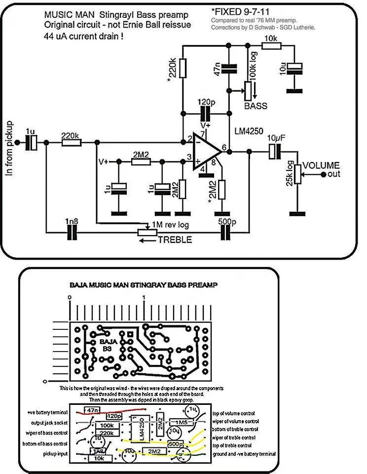
wo finde ich denn den fertigen preamp? suche gerade bei musikding und bin augste auenscheinlich blind.
bei mir... kein Witz... und den einen S.U.B... haste auch... von mich.
Folge dem Video um zu sehen, wie unsere Website als Web-App auf dem Startbildschirm installiert werden kann.
Anmerkung: Diese Funktion ist in einigen Browsern möglicherweise nicht verfügbar.
wo finde ich denn den fertigen preamp? suche gerade bei musikding und bin augste auenscheinlich blind.
bei mir... kein Witz... und den einen S.U.B... haste auch... von mich.
nöbei dir bekomme ich also den preamp?
Danke für die ausführliche Review! Hätte ich letzte Woche nicht zugeschlagen würde der Bestellfinger jetzt wohl doch wieder zuckenMoin,
bei meinem Harley Benton Stingray 5 HH habe ich die Pickups gehen Häussel-PUs ausgetauscht, Bridge 66 mm und Neck 60 mm Spacing. Die passen perfekt!
Hier ein Foto von beiden (Schwarz Music Man Stingray Special 5 HH, rechts der Harley Benton, 199€):
Anhang anzeigen 405444
Schöner ist der MM natürlich, der HB kommt aber auch ganz gut! Guter Lack, keine großen Macken, das Gewicht minimal über dem MM nach Austausch der Billig-Mechaniken gegen G&L Lights.
Der Bridge-Pickup ist beim HB in exakt der gleichen Position wie beim MM! Der Neck des HB sitzt ca. 13 mm näher Richtung Bridge als beim MM, denn der HB hat 24 Bünde, der MM nur 22. Ich habe deshalb vom Sattel aus gemessen.
Die Verschaltung des 5-Fach-Switches scheint gleich zu sein. Auf beiden Bässen sind die Ernie Ball Super Slinky 130-45 drauf.
Hier das Original:
Anhang anzeigen 405453
Und hier die Kopie:
Anhang anzeigen 405454
Das "Paddel" finde ich beim HB eigentlich schöner als das grosse Pickguard des MM. Die Saiten laufen perfekt über die Polepieces.
Nun aber zum Sound:
Ganz klar, der MM ist souverän und klingt nach einem Stingray!
ABER: Der HB ist verdammt nah dran! Ich konnte mangels Inbus die Saitenlage noch nicht besser einstellen, er schnarrt noch zu stark (dafür hat er aber keine wirklichen Deadspots!).
Aber der Sound ist super! Der HB-Preamp haut einen mörderischen Pegel raus, viel zu viel gerade für Röhrenamps. Mangels Kompensationsspule brummt der HB in zwei der fünf Stellungen etwas, aber nicht sehr laut, da ist der MM besser.
Die Höhen klingen etwas harscher als beim MM, die Bässe sind sehr ähnlich, die Mitten fast identisch. Insgesamt bin ich überrascht, dass ein 199€-Bass so nah an das Origial kommt!
Die jetzt eingebauten Häussel sind natürlich wesentlich besser als die eher mumpfigen HB-Pickups, sie sind ja auch nach den Original-MM-Daten gewickelt. Das lässt mich hoffen, dass mit dem Umbau auf den 2-Band Preamp von Musikding der Sound und vor allem Pegel noch etwas mehr Richtung Original geht.
So long
Chr.
Ist der Werksmäßig verbaute nicht der gleiche wie der in dem von dir genannten Bausatz?und den 2 Band EQ auch gleich austauschen
