Folge dem Video um zu sehen, wie unsere Website als Web-App auf dem Startbildschirm installiert werden kann.
Anmerkung: Diese Funktion ist in einigen Browsern möglicherweise nicht verfügbar.
warum ca. 0,25% THD+N unbrauchbar?-3dB unbrauchbar
Schau mal bei Julian Krause vorbei, der hat das Volt durchgemessen. Auf Herstellerangaben kannst du meiner Erfahrung nach nix geben außer sie kommen von RME oder Motu.Na ja, wenn ei Interface bei einem Eingangspegel von -3dB solch schlechte THD-Werte hat (<-60d, ist es für mich nicht brauchbar, da möchte ich auch mehr Headroom haben. Das UAD Volt 2 hat im Line lt. Specs +18dB, das macht für mich mehr Sinn.
Allerdings hatte ich bei der Messung des M-Track nicht genau kalibriert, aber es hat sowieso nur 16Bit und scheidet schon deshalb aus, das UAD betreibe ich mit 192kHz, 24Bit und habe damit deutlich bessere Werte, es war auch nicht sonderlich teuer.
Wenn Du mal nicht mehr bist, werden Deine Werkstatt aufräumen und sich wundern was der alte Mensch da für wunderliche Dinge hatte. Daher empfehle gut sichtbare BeschriftungDanke, da sind einige Schritte drin, die ich so nicht kannte.
Heute habe ich den Lastwiderstand fertig gebaut.
Anhang anzeigen 830626
Wie immer etwas schief, funktioniert aber.
8,00 Ohm (500W), 4,07 Ohm (1000W), 2,17 Ohm (1000W) mit meinem Low Ohm-Meter gemessen.
Anschlüsse: 6x 4mm Bananenbuchse, 1x BNC, 1x Speakon
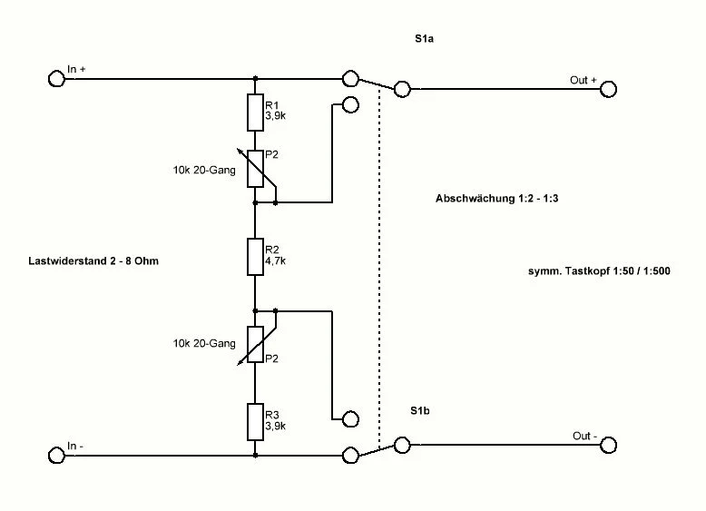
Ein Bananenbuchsenausgang lässt sich umschalten, direkt volle Ausgangsspannung und in der anderen Schalterstellung über ein 20-Gang Cermet-Poti 50k z. B. die Hälfte, um den Eingang des nachfolgenden Messgerätes nicht zu überfahren. Bei 800W an 4 Ohm stehen ja fast 60V RMS und damit ca. 160V Spitze Spitze an.
Als nächster Schritt kommt das Anpassen des UAD Volt 2 USB Interfaces über den aktiven symmetrischen Messadapter an den Lastwiderstand.
Und dann kommt der Test mit dem HB 800B!
Na ich hoffe doch dass Du erst im hohen alter diese Welt verlassen wirst.Alter Herr?![]()
Widerstandsrauschen?Ziel ist eine möglichst genaue Messung THD+N, ...
bei -60dBfs, dBu, dbr ? Und meinst du tatsächlich Noise oder THD+N?Die Messungen sehen alle schön aus, der Noise liegt aber bei ca. -60dB, bei oben im Fenster angezeigten Gain von 39.88dB.
