günter5
Active Member
- Beiträge
- 177
- Bassix
- ß6.130
Folge dem Video um zu sehen, wie unsere Website als Web-App auf dem Startbildschirm installiert werden kann.
Anmerkung: Diese Funktion ist in einigen Browsern möglicherweise nicht verfügbar.
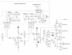
Beim alten SVT und dem V4-BH sind es die gleichen C's und 100,300,800mH. Warum soll es dann beim RI anders sein??
Hilft dir das weiter?
Wenn der V4B in Ordnung ist, ist das der Normalzustand! Meiner ist auch absolut nebengeräuschfrei.Er ist absolut clean und macht komischerweise weniger Nebengeräusche als der AD200, den ich vorher zum Test hatte. Das hätte ich nicht gedacht.
Wenn der V4B in Ordnung ist, ist das der Normalzustand! Meiner ist auch absolut nebengeräuschfrei.
und jetzt ihr, ich will settings sehen
- 340 Hz auf 3-4 Uhr - geradezu göttliches Knurren
Ich hab gar keinen V4B, ich bin nur Spanner hierUnd ich dachte schon, es fällt jemandem auf, daß der V4B gar keinen 340-Hz-Regler hat.![]()
Ich auch nicht, will aber einen.Ich hab gar keinen V4B
Na dann treffen wir uns doch an einem schönen Tag und vergleichen Deinen V4B und meinen Traynor YBA-100Ich auch nicht, will aber einen.
...eines schönen Tages...

Hier mal 'ne kleine Hörprobe vom 340-Hz-Mod:
