Folge dem Video um zu sehen, wie unsere Website als Web-App auf dem Startbildschirm installiert werden kann.
Anmerkung: Diese Funktion ist in einigen Browsern möglicherweise nicht verfügbar.
Ich hab in der Namensgebung etwas "kryptisch" abgekürztSorry, hatte PSPT_11 und 12 nicht als Poti identifiziert...
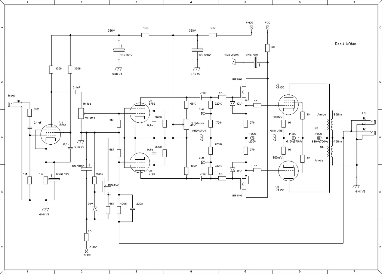
Der 27K ist doch nur der Source-Widerstand des Sourcefolgers.In der PP Testendstufe von es345 gibt es einen 27k vom G1 nicht nach Masse, sondern nach -280V, der das Gleiche bewirken dürfte. Ohne Rg bekommt man die Kannen nicht zum Laufen.
Solange der Sourcefolger nicht irgendwo in die Begrenzung geht solange bleibt sein Ausgangswiderstand niederohmig.Das kommt ja auf den Aussteuerzustand des Mosfets an, wenn der sperrt, ist das hochohmig.
Deshalb: Die Ausgangsimpedanz des CF mit einer ECC99 so weit wie möglich reduzieren. Oder einen Zwischenübertrager? Wer könnte den berechnen?
Ich möchte unbedingt bei einem reinen Röhren-Amp ohne Mosfets bleiben. Ist vielleicht dämlich, aber ein stabiler Amp mit sechs KT120 und sauberen 450-500W sollte möglich sein. Meine Berechnungen für die ECC99 sind m. E. vielversprechend.
Es gibt auch Pläne mit einer EL84 als CF...
Hab ich ja schon gemacht, und im gleichen Zuge dann auch den ECC81 Kathodenfolger deiner Schaltung durch einen Sourcefolger ersetzt!Kannst Du nicht mal meinen Schaltplan spicen?
Rg ist natürlich Quatsch.Der 1k ist der Gridstopper, nicht der Rg (obwohl er Teil des Rg ist). Den zu erhöhen vermindert die blocking distortion.
Daher hatte ich hinter den Gitter-Bias-Trimpotis in meiner Endstufe auch nochmal jeweils eine Sourcefolger eingebaut, der die individuelle Gittervorspannung auf den Zielwerten festhält. Ist ja nun nicht wirklich ein Halbleiter im SignalwegJe mehr ich über das Konzept separater Bias pro Röhre nachdenke, desto skeptischer stehe ich dem ganzen gegenüber.
