Jein, du musst das Kästchen so bauen, daß du nur Eingänge aber keine Ausgänge kurzschliesst. EIngänge kutz zu schliessen ist nie eine gute Idee. BRaucht man auch nicht. Auch nicht den PU. Denn hat man einen aktiven Bass, dann schliesst man dessen Ausgang kurz.
Kannste so machen, dann ist es halt kacke.
Wenn du das richtig machst, ist es egal, wo das Pedal im Signalweg liegt.
Aber manchmal muss man etwas darauf achten, welche Effekte Input liefern. Denn da kann man manchmal böse Überraschungen erleben. (Umschaltgeräusche und sowas...)
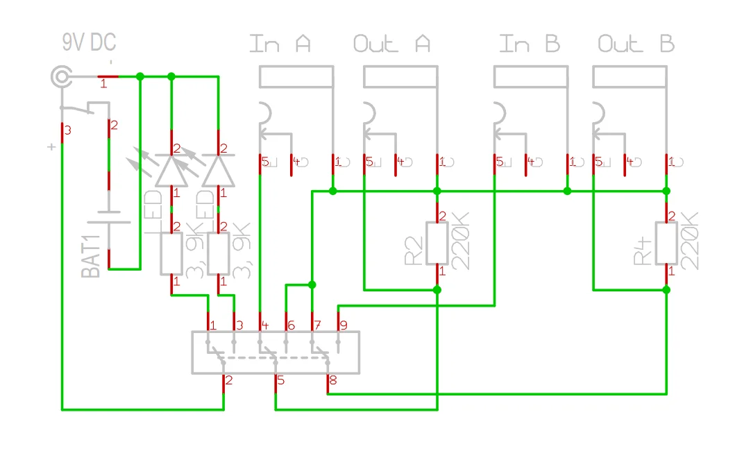
Hier mal mein eigenes Schaltbild AABB... (zu finden unter: http://wkla.no-ip.biz/pages/wk-musik/helferpedale/standard/wk-aabb.php)
Da werden keine Ausgänge kurz geschlossen. Nur Eingänge.
Das ist jedoch die öffentliche Variante mit gemeinsamen GND und ohne Popschutz. (Ich verrate ja nicht alle meine "Geheimnisse"...)
Bei Fragen fragen
Kannste so machen, dann ist es halt kacke.
Wenn du das richtig machst, ist es egal, wo das Pedal im Signalweg liegt.
Aber manchmal muss man etwas darauf achten, welche Effekte Input liefern. Denn da kann man manchmal böse Überraschungen erleben. (Umschaltgeräusche und sowas...)
Hier mal mein eigenes Schaltbild AABB... (zu finden unter: http://wkla.no-ip.biz/pages/wk-musik/helferpedale/standard/wk-aabb.php)
Da werden keine Ausgänge kurz geschlossen. Nur Eingänge.
Das ist jedoch die öffentliche Variante mit gemeinsamen GND und ohne Popschutz. (Ich verrate ja nicht alle meine "Geheimnisse"...)
Bei Fragen fragen
