Bassman135
Gold Member
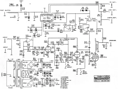
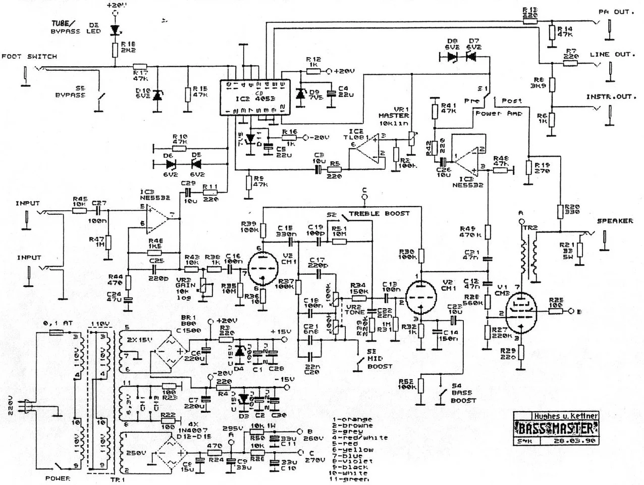
Ich hab das Ding ja noch nicht lange, aber es ist echt perfekt für zu Hause ...
Seit noch weniger lange liegt auch noch die kleine CF100 Endstufe bei mir rum. Aber um das Mini-Besteck richtig aufzudrehen, muss ich es mal in den Proberaum mitnehmen. Fürs Wohnzimmer hat der Bassmaster mehr als genug Druck
@tintibug lass ihn Dir reparieren, da findet sich bestimmt irgendwo ein talentierter Ampdoktor!

Seit noch weniger lange liegt auch noch die kleine CF100 Endstufe bei mir rum. Aber um das Mini-Besteck richtig aufzudrehen, muss ich es mal in den Proberaum mitnehmen. Fürs Wohnzimmer hat der Bassmaster mehr als genug Druck
@tintibug lass ihn Dir reparieren, da findet sich bestimmt irgendwo ein talentierter Ampdoktor!


