Da will man doch gleich wieder ein Ärzte-Video verlinken …ein Bühnenfoto
Folge dem Video um zu sehen, wie unsere Website als Web-App auf dem Startbildschirm installiert werden kann.
Anmerkung: Diese Funktion ist in einigen Browsern möglicherweise nicht verfügbar.
Da will man doch gleich wieder ein Ärzte-Video verlinken …ein Bühnenfoto
Erinnert mich an den früheren Kollegen "badmatafaka"Man beachte die damals angesagte Zurrung des Basses in Achselhöhlennähe.
Alles richtig erkanntOh ja, ein beliebtes Kampfoutfit der 80er: Minipli, Pornobalken, Nerdbrille, Sträflingshose und weisse Turnschuhe. Hatte ich auch. Man beachte die damals angesagte Zurrung des Basses in Achselhöhlennähe. Ein sicheres Zeichen dafür, dass das Foto nach Erscheinen der ersten Hits von Level 42 gemacht wurde.
Ausserdem haben meine trüben Augen den Peavey 400B Mark III erspäht. Den hatte ich damals auch. Der SVT von obigen Foto war leider nur geliehen.
Was auch sonst? Der SVT war halt teuer, der Bassman 100 zu schwach. Sonst hätte es noch eine HH BassMachine gegeben, die war aber selten.Ausserdem haben meine trüben Augen den Peavey 400B Mark III erspäht. Den hatte ich damals auch. Der SVT von obigen Foto war leider nur geliehen.
Ich habe kein Bild, aber vor fast vierzig Jahren hab ich auch mal mit einem Musician auf der Bühne gestanden. Keine Ahnung ob der 924 oder anders hieß. Es war das Anti-WAA-Festival in Wackersdorf. Die Opener Band hatte kurz zuvor irgendeinen regionalen Wettbewerb gewonnen und hielt sich für zu schade um als Opener herzuhalten. Also sollte der Liedermacher, den ich begleitete, das Festival eröffnen. Alles verlief etwas hektisch und als ich meinen Ray ansteckte kam - nix. Oder fast nix. Ich wußte sofort, daß es an der Batterie lag, die ich vorher noch gewechselt hatte. Meine Frage ob jemand einen 9V Block über hätte verhallte: Es waren lauter coole Typen auf dieser Bühne die vor Wichtigkeit kaum gehen konnten und sofort wußten, daß mein Evans-Verstärker das Problem darstellte.der Bassist auf dem Bild
dann war der aber shyce eingestelltdie Saitenlage war deutlich höher
Wenn ich im Jahre 83 gewußt hätte, daß ich anno 23 davon erzählen würde hätte ich mich genauer damit befaßt.dann war der aber shyce eingestellt
1980/81: Korpusflügel nur noch aus Esche, unterer Cutaway tiefer, 24 Bünde, größere Tuner, Singlecoils (Super4), Pickupwahlschalter + Panorama, Buchse in der Zarge
Ja, da hab ich mich wohl auch geirrt.Der hatte PU-Wahlschalter, Volumen, Ton, und Boost-Volumen um das Aktiv-Level anzugleichen.
Das ist natürlich schlimm und nahezu unverzeihlich, denn wie heisst die unerbittliche Regel? Kein Bild, kein Bass. Aber wir können ersatzweise andere peinliche Bilder aus der Zeit mit VoKuHiLa Frisuren gelten lassenIch habe kein Bild,
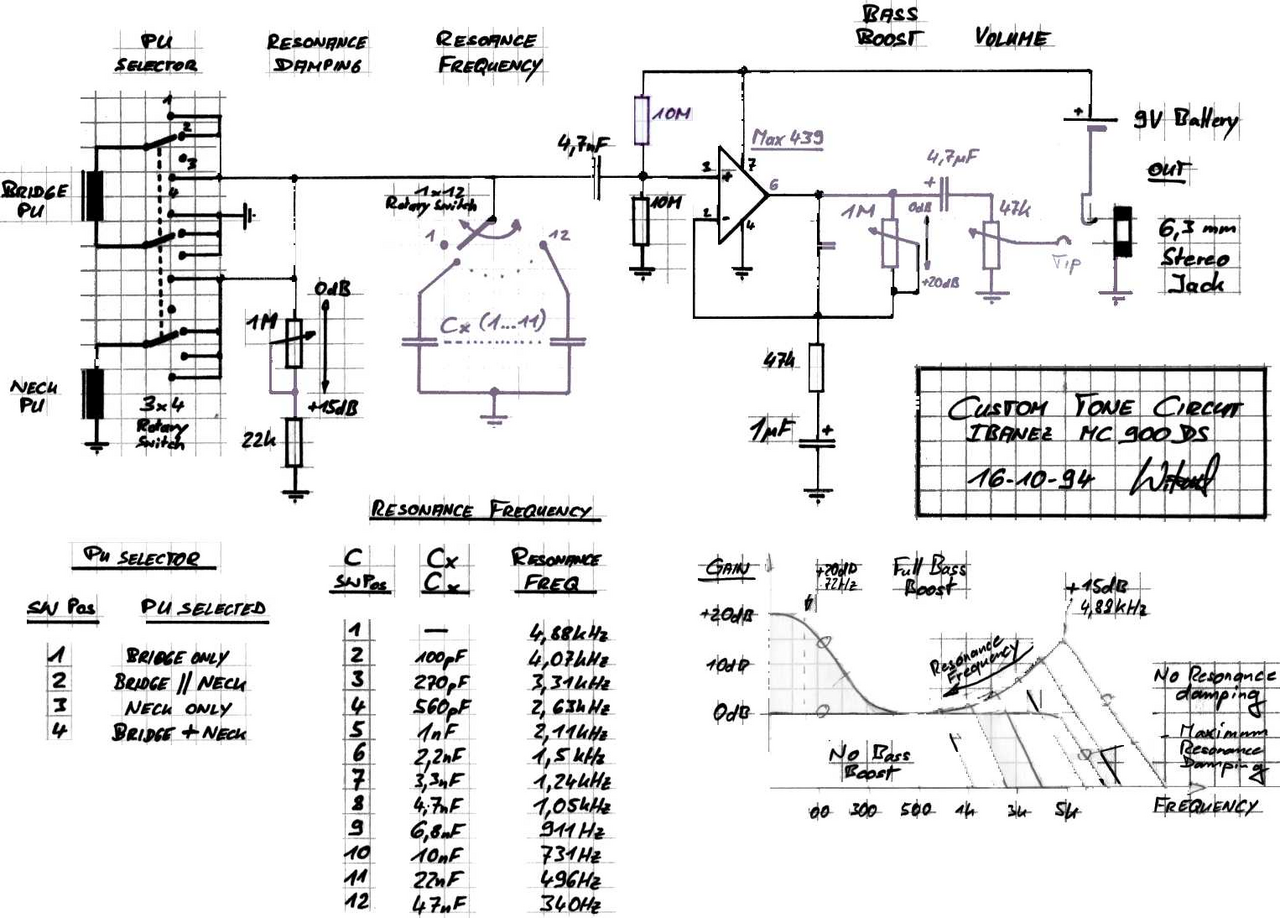
Cool. Das Original hatte ich nicht mehr. Ich hatte die Schaltung vom MC900 damals mal nachgezeichnet, weil ich sie durch eine eigene ersetzt habe und hatte nur noch meine Handskizze. Ich habe sogar noch das Originalmessprotokoll von den Pickups, damals alles noch ohne PC auf Millimeterpapier gezeichnetBeim MC924 ist die Schaltung dann leicht verändert, und es gibt keinen Boost mehr.
Anhang anzeigen 651024
Hier auch wieder die Simulation:
flat
Anhang anzeigen 651025
Low:Anhang anzeigen 651026
Anhang anzeigen 651027
Mid:
Anhang anzeigen 651028
Anhang anzeigen 651029
High:
Anhang anzeigen 651030
Anhang anzeigen 651031
Kannst du das mal rüberwachsen lassen?Ich habe sogar noch das Originalmessprotokoll von den Pickups
Dachte ich mir (siehe oben)Kannst du das mal rüberwachsen lassen?
Interessant, da sind gleich mehrere alternative Elemente drin.Dachte ich mir (siehe oben)
Wen's interessiert, hier meine für den PU massgeschneiderte Ersatzschaltung (die Handskizze entstand erst ca. 10Jahre später):
Anhang anzeigen 651033
Kriegst Du am einfachsten durch ein LC Filter in der Gegenkopplung des OPs hin.Was mir persönlich (für meinen heutigen Geschmack) fehlt, ist einen Mitten-Boost.
Hast Du die originale Schaltung vom 924 auch noch? Arbeitet die auch mit LC Filtern?Hab noch noch vergessen, dass ich die 924er-Schaltung nicht 1:1 übernommen habe. Für den EQ hab ich mich an der 900er-Schaltung orientiert.
Anhang anzeigen 651035
die Boost-Kurven sehen dann so aus:
Low:
Anhang anzeigen 651036
Mid:
Anhang anzeigen 651037
High:
Anhang anzeigen 651038
Macht in der Realität einen guten Eindruck. Ich hab den EQ allerdings in der Praxis noch gar nicht eingesetzt, weil mir der Passiv-Sound bis jetzt vollkommen genügt.
Ist irgendwie naheliegend, wenn sowieso kein passiver Volume-Regler existiert.Den Dämpfungsregler hatte ich vorher noch nirgendwo gesehen. Einfach mal ausprobiert und siehe da, man bekommt schöne warme Vintagesounds damit hin.
Die reale Schaltung nicht, nur das Schema aus dem Netz. Und wie gesagt, keine Ahnung, ob das wirklich stimmt.Hast Du die originale Schaltung vom 924 auch noch? Arbeitet die auch mit LC Filtern?
Die Schaltung, die in meinem 924er drin war, ist ja so ein Filter. Ziemlich effektiv und im Prinzip gut, aber halt nicht das, was ich mir heute in einem Bass wünsche.Vorab hatte ich auch mal ein State Variablke Filter, ähnlich wie bei den Alembics eigebaut. Das Soundergebnis gefiel mir aber nicht so recht.
