Flaschbier
Well-Known Member
- Beiträge
- 108
- Bassix
- ß5.720
Abschleifen wäre keine Option?aber leider sind die Wandstärken von den Leerkappen 1,5mm, also zu dick.
Folge dem Video um zu sehen, wie unsere Website als Web-App auf dem Startbildschirm installiert werden kann.
Anmerkung: Diese Funktion ist in einigen Browsern möglicherweise nicht verfügbar.
Abschleifen wäre keine Option?aber leider sind die Wandstärken von den Leerkappen 1,5mm, also zu dick.
Hab ich auch gedacht, aber ich brauche keine Platte, sondern eine Kappe. Eine Kappe muss die Außenmaße überdecken.Abschleifen wäre keine Option?
So sauber, wie ich das haben möchte, bekomme ich das nicht hin, aber die Idee ist nicht verkehrt.Wie wäre es denn mit Heisskleber eine Ebene zu schaffen?
Draufschmieren, gerade ziehen, abkühlen, Überstand abschneiden
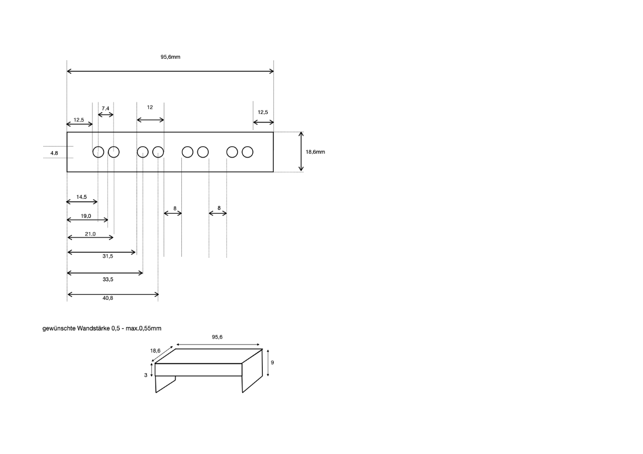
Danke, hier mal, was ich ausgemessen habe. Einige Maße sind nicht so ganz logisch, obwohl ich mit dem Digitalschieber rangegangen bin, aber es sollte gut genug sein. Per PN dann gerne Details.Dann bist du vielleicht nicht "nett" genug?
Scherz beiseite, ich könnte weiterhelfen. Bei Interesse bitte per pm.
Nein, aber die ist gutPun intendet?
Wieviel Abstand zu den Saiten haben denn die Pickups jetzt?so 2/10tel weniger wären schon cool, aber ich denke, die werde ich gefahrlos noch nach unten hin versenken können.
Hab nicht nachgemessen.Wieviel Abstand zu den Saiten haben denn die Pickups jetzt?
Die Ecken sehen nur gnadenlos spitz aus. Die würde ich persönlich verrunden.Um das mal mit einer kleinen Erfolgsmeldung zunächst mal abzuschliessen, habe ich jemanden gefunden, der mir das gedruckt hat. Noch nicht optimal in der Höhe, aber für's erste wird es gehen und es ist definitiv besser, als vorher:
Anhang anzeigen 973708
so 2/10tel weniger wären schon cool, aber ich denke, die werde ich gefahrlos noch nach unten hin versenken können.
Mache ich vielleicht noch, aber da habe ich keine Probleme mit, funktioniert tadellos. Zudem müsste ich die dünnen Dinger abnehmen, was sie unwiderruflich kaputtmachen würde, weil mit doppelseitigem Band verklebt. Ich denke drüber nach.Die Ecken sehen nur gnadenlos spitz aus. Die würde ich persönlich verrunden.
Na logisch. Und den Fuchsschwanz dazu habe ich schon bestellt.Und:
Schon über andersfarbige "Zierkappen" nachgedacht?![]()
