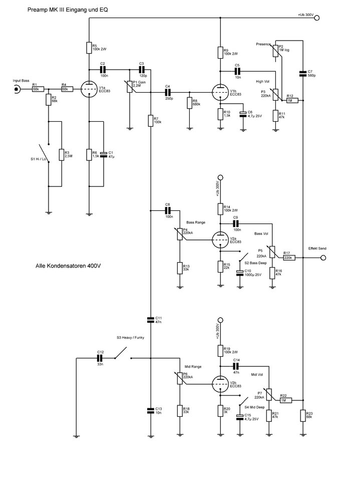
Ich habe den Schaltplan mit der Platine abgeglichen und den Präsenzregler hinzugefügt. Das hier sind jetzt die Original-Werte von der Platine (bis auf den 2,5M-Widerstand an V1a):
Da weichen schon einige Werte vom alten Schaltplan MK II ab. Aber es stimmt: Direkt von der Sammelschiene geht es in den Effekt Send (Impedanz ca. 68k).
Mich irritiert der Kathodenwiderstand im Bass-Zweig. 22k ist ja riesig, was fliesst denn da für ein Mini-Strom? Ich habe den R sogar ausgelötet und nachgemessen - 22k Metallfilm. Den werde ich mal versuchsweise verkleinern, wenn er wieder läuft.
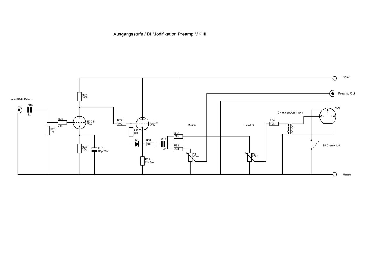
Hier die angepasste Ausgangsstufe nach dem Effekt Return mit DC-Kopplung V3a+V3b:
So könnte es etwas werden...
Da weichen schon einige Werte vom alten Schaltplan MK II ab. Aber es stimmt: Direkt von der Sammelschiene geht es in den Effekt Send (Impedanz ca. 68k).
Mich irritiert der Kathodenwiderstand im Bass-Zweig. 22k ist ja riesig, was fliesst denn da für ein Mini-Strom? Ich habe den R sogar ausgelötet und nachgemessen - 22k Metallfilm. Den werde ich mal versuchsweise verkleinern, wenn er wieder läuft.
Hier die angepasste Ausgangsstufe nach dem Effekt Return mit DC-Kopplung V3a+V3b:
So könnte es etwas werden...
