Werkstatt-Thread: Brummender Reussenzehn Bass-Preamp MK III

  • #121
Die Diode hat mit Gegenkopplung nichts zu tun, die verhindert eine zu hohe Spannung an Gitter und Kathode beim Einschalten, ...

Doch doch, das ist klassische(!) Gegenkopplung am Kathodenfolger zu dessen Arbeitspunkteinstellung, und mit oder ohne Diode ist dabei für die Funktion völlig egal.

In deinem Fall bei +300V damit dann ~150V als Arbeitsruhepunkt.

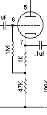
Ich kenne die Schaltungen aber eher so dass man nicht das volle Kathodenpotential auf das Steuergitter zurückführt, sondern etwas abgeschwächt, und zudem auch deutlich höhere Werte als 10k für die Spannungsrückführung üblich sind.

So wie hier z.B.:
1693645700346.png


Warum man das für gewöhnlich so macht, das kann ich dir so aus dem Stegreif jetzt auch nicht sagen. Aber ich denke, es wird schon seinen berechtigten Grund haben warum man hier für gewöhnlich deutlich höhere Widerstandswerte sieht (hier 1M) und nicht das volle Potential auf das Gitter zurückführt.

Wobei man das Konstrukt ja (für gewöhnlich) auch nur dort wählt wo man es braucht.

In deinem Fall ist das Gitter des Kathodenfolgers mittels Gleichspannungskopplung mit dem Ausgang der Gainstufe V3a verbunden, und damit der Arbeitspunkt für den Kathodenfolger bereits definiert.

Vom Prinzip hast du jetzt doppelt gemoppelt, wobei die Gegenkopplung am Katodenfolger hier gewinnt, und dein Schaltungskonstrukt im Leerlauf bereits deutlich Gleichspannung quasi als Nutzssignal im höheren zweistelligen Bereich sinnlos verballert.

Funktionieren wird es auch so wie es ist, würde das alles aber nochmal überdenken ob es so wirklich sinnvoll ist!
 

  • #122
Doch doch, das ist klassische(!) Gegenkopplung am Kathodenfolger zu dessen Arbeitspunkteinstellung, und mit oder ohne Diode ist dabei für die Funktion völlig egal.

In deinem Fall bei +300V damit dann ~150V als Arbeitsruhepunkt.

Ich kenne die Schaltungen aber eher so dass man nicht das volle Kathodenpotential auf das Steuergitter zurückführt, sondern etwas abgeschwächt, und zudem auch deutlich höhere Werte als 10k für die Spannungsrückführung üblich sind.

So wie hier z.B.:
Anhang anzeigen 718001

Warum man das für gewöhnlich so macht, das kann ich dir so aus dem Stegreif jetzt auch nicht sagen. Aber ich denke, es wird schon seinen berechtigten Grund haben warum man hier für gewöhnlich deutlich höhere Widerstandswerte sieht (hier 1M) und nicht das volle Potential auf das Gitter zurückführt.

Wobei man das Konstrukt ja (für gewöhnlich) auch nur dort wählt wo man es braucht.

In deinem Fall ist das Gitter des Kathodenfolgers mittels Gleichspannungskopplung mit dem Ausgang der Gainstufe V3a verbunden, und damit der Arbeitspunkt für den Kathodenfolger bereits definiert.

Vom Prinzip hast du jetzt doppelt gemoppelt, wobei die Gegenkopplung am Katodenfolger hier gewinnt, und dein Schaltungskonstrukt im Leerlauf bereits deutlich Gleichspannung quasi als Nutzssignal im höheren zweistelligen Bereich sinnlos verballert.

Funktionieren wird es auch so wie es ist, würde das alles aber nochmal überdenken ob es so wirklich sinnvoll ist!
Da ist was dran. Was hatte der Roy da? Ich weiß nur, dass er ein absoluter Verfechter der Entfernung aller Kondensatoren aus, dem Signalpfad war, wo immer das technisch möglich war.
 
  • Like
Reaktionen: cfortner
  • #123
Man spart den Koppelkondensator, weniger blocking distortion, smootheres Übersteuern
 
  • Like
Reaktionen: Lyons

  • #124
Wenn das doof ist, kann ich immer noch einen AC-gekoppelten CF aufbauen. Da ich aber die Aufholstufe V3a brauche, macht es ja Sinn, das DC zu koppeln.
 
  • #125
Man spart den Koppelkondensator, weniger blocking distortion, smootheres Übersteuern
Durchaus gängige Schaltungspraxis die man sehr häufig sieht!
Es "zwickt" sich halt leider nur mit der zusätzlichen Arbeitspunkteinstellung am Kathodenfolger, und das "sieht" man so in dieser Form für gewöhnlich dann auch selten bis nie!

Meine ganz persönliche Einschätzung zu solchen Optimierungskonstrukten, so wie hier mit der Diode.
Wie gesagt, man sieht es (zumindest in dieser Art und Weise) in gängigen Standardschaltungen selten bis nie. Zumindest ist mir persönlich keine bekannt.
Ich frage mich an der Stelle dann grundlegend, haben die Heerscharen an Schaltungsentwicklern in den vergangenen Jahrzehnten alle geschlafen wenn sie es NICHT so gemacht haben, und keine Schutzdioden eingebaut haben? So weit mir bekannt funktionieren deren Schaltungen auch ohne(!) solche Optimierungen zuverlässig und stabil.

Bevor ich solche Optimierungen vorsehe bei denen ich die damit einhergehenden "Nebeneffekte" nicht wirklich durchschaue, da lasse ich es lieber bleiben und greife auf altbewährte Standardschaltungen zurück.
Wie oben schon angedeutet, der 10k Widerstand fällt im direkten Vergleich zur gängigen Praxis (>100k) sowieso schon arg mickrig aus.
Und dass sich solche Gegenkopplung auf die wirksame Eingangsimpedanz des Kathodenfolgers auswirkt, soviel weis ich dann gerade noch.
Welche nachteiligen "Effekte" du dir damit noch einhandelst, ob sie störend wirken oder ob nicht, ich kann's dir nicht sagen. Dazu müsste ich mich dann intensiver mit auseinander setzen.

Allgemein in der Technik "erkauft" man sich Vorteile immer auch mit einhergehenden Nachteilen. Die Frage ist, ob die einhergehenden Nachteile störend wirken oder ob sie an der Stelle vernachlässigbar gering sind.
 
  • #126
Das Röhrensterben bei Kathodenfollowern ist durchaus beschrieben, deshalb ist das Hochlegen der Heizspannung gängige Praxis. Und vom Arcing im der Aufwärmphase bei CF habe ich auch öfter gelesen. Wenn zwei billige Bauteile das unterbinden, ohne den Sound zu ändern, werde ich das gerne einbauen.

Dass mehr Cs als notwendig dem Sound eher abträglich sind, ist auch bekannt.

Ich werde es mit dieser Schaltung versuchen, Blencowe ist ja kein Dummkopf. Und ein A/B-Vergleich mit oder ohne Diode ist ja schnell gemacht.
 
  • #128
Das Röhrensterben bei Kathodenfollowern ist durchaus beschrieben, deshalb ist das Hochlegen der Heizspannung gängige Praxis. Und vom Arcing im der Aufwärmphase bei CF habe ich auch öfter gelesen. Wenn zwei billige Bauteile das unterbinden, ohne den Sound zu ändern, werde ich das gerne einbauen.

Dass mehr Cs als notwendig dem Sound eher abträglich sind, ist auch bekannt.

Ich werde es mit dieser Schaltung versuchen, Blencowe ist ja kein Dummkopf. Und ein A/B-Vergleich mit oder ohne Diode ist ja schnell gemacht.
Die simple und nüchterne Schlußfolgerung aus alldem wäre, die Heerscharen an professionellen Schaltungsentwickler haben es in den vergangenen Jahrzehnten einfach nicht gekonnt und/oder nicht verstanden, wenn ergo diese Probleme wie beschrieben in der Praxis vorkommen und mit wenigen Cent-Bauteilen behebbar sind!
 
  • #129
Sogar im Altec 1566 ist der CF DC angekoppelt, sogar direkt, allerdings zwei ECC33-Hälften parallel geschaltet:
Ja, aber der hat keine explizite Arbeitspunkteinstellung, so wie es bei die definitiv der Fall ist.
Und wie ich oben schon geschrieben habe, es ist(!) gängige Schaltungspraxis, und tausendfach bewährt, allerdings ohne diese Diode und damit dann ohne(!) separate bzw. dann nochmal "zusätzliche" Einstellung des Arbeitspunktes für den Kathodenfolger!
 
  • #130
Lies Dir doch mal die Erklärung von Blencowe zu der Diode durch, das hat aus seiner Sicht absolut nichts mit dem Arbeitspunkt zu tun. Wenn die Röhre warm ist und Strom fliesst, ist die Diode wie nicht existent.


Edit: Link geändert
 
Zuletzt bearbeitet:
  • Like
Reaktionen: Lyons
  • #131
Wenn ich die ECC83 benutze, kann ich mir aber das Hochlegen der Heizspannung schenken, weil sie 180V Faden - Kathode abkann, die ECC81 nur 100V.
 
  • #132
Mal einige Links zum Thema:




Nur dass es die Hersteller nicht machen, heisst m. E. nicht viel. Aber Versuch macht kluch.
 
  • #133
Lies Dir doch mal die Erklärung von Blencowe zu der Diode durch, das hat aus seiner Sicht absolut nichts mit dem Arbeitspunkt zu tun.
Was allerdings nichts daran ändert, dass das ganze Konstrukt eben genau so funktioniert, und genau so im realen Praxisalltag ja auch angewendet wird, tausendfach bewährt, überall dort wo es gebraucht wird.

Wenn man das gemäß deiner Argumentation einfach mal weiterdenkt, dann müsste die Diode das ganze Funktionsprinzip aufheben, tut sie aber nicht! Wenn angenommen das Gitter offen ist (keine Verbindung zum Ausgang V3a) dann stellt sich über dein hier realisiertes Konstrukt der Arbeitspunkteinstellung auf ~150V Arbeitsruhepunkt an der Kathode ein.
Und zwar ganz egal ob jetzt mit Diode im Gegenkopplungspfad oder ohne.

Wird dieser Gegenkopplungspfad aufgetrennt, dann fehlt die Arbeitspunkteinstellung und das Gleichspannungspotenzial (Arbeitsruhepunkt) an der Kathode sackt auf Spannung Null runter (sofern der Gitteranschluß offen ist, oder z.B. nur wechselspannungsmäßig angesteuert ist).
 
  • #134
Nochmal: Der Arbeitspunkt wird über einen Gitterstrom (ca. 0,4mA) eingestellt.

Egal, wenn das bei Altec funktioniert, wird das bei mir auch funktionieren, ob mit oder ohne Diode werde ich sehen.
 
  • Like
Reaktionen: claudio
  • #135
Nochmal: Der Arbeitspunkt wird über einen Gitterstrom (ca. 0,4mA) eingestellt.

Mit:
1693676039924.png

1693676079768.png


Ohne:
1693676149857.png

1693676194160.png


Standardschaltung Gegenkopplung "Mit":
(bei gleichzeitig deutlicher Vergrößerung CF-Eingangswiderstand)
1693676396571.png

1693676437121.png


Standardschaltung Gegenkopplung "Ohne":
(bei gleichzeitig deutlicher Vergrößerung CF-Eingangswiderstand)
1693676528413.png

1693676576745.png



Des weiteren noch (und absolut NICHT zu empfehlen da wirksamer CF-Eingangswiderstand dann deutlich zu klein):
1693676868345.png

1693676920130.png
 
  • #137
The DC Coupled Cathode Follower


DCCF2.jpg
From a technical point of view, the cathode follower found in many guitar amps appears quite ordinary. It usually drives a tone stack, which would otherwise present quite a heavy load to a 'normal' gain stage and would result in considerable signal attenuation. The low output impedance of a cathode follower, however, can drive current into heavy loads more easily.
However, the cathode follower found in guitar amps is quite peculiar. As well as simply driving a tone stack, it has more effect on overall distortion than any other stage in the preamp. A glance at any very high gain amp will usually reveal at least one of these stages, and sometimes several, at various points i n the preamp. What's more, the stage works so well and sounds so good because it is fundamentally "badly designed", at least, from the 'textbook' point of view.





The circuit universally consists of an ECC83 gain stage, DC coupled to an ECC83 cathode follower (usually in the same envelope), each with 100k load resistors. The biasing of the gain stage is not particularly important, and follows normal conventions. So what makes this circuit so interesting? Examination of the load lines should make this clear, and reveal why such a badly designed stage works so well. This example will use a 300V HT, although the actual voltage is not critical for obtaining good results.

DCCFloadline1.jpg
The load line to the right is for the gain stage. The bias point could be set almost anywhere along it, although somewhere in the middle is usual, in this case -1.5V (green dot), making the quiescent anode voltage about 195V. This is the first reason why the circuit is badly designed; the anode voltage of the gain stage is quite high. A text book example would bring this down to about ½ HT or lower, by using a larger load resistance or smaller bias voltage.

The load line below is for the cathode follower. Remember, the x-axis shows anode-to-cathode voltage, but we are also interested in the cathode-to-ground voltage. This can be easily added by reversing the anode voltage scale, since when no anode current flows, the cathode voltage would be zero. This scale has been added to the top of the graph.

<
DCCFloadline2.jpg


We know that for normal operation the cathode will be a couple of volts higher than the grid (which is connected to the anode of the previous stage and is therefore at 195V), but for simplicity we will assume it is at the same voltage as the grid, or 195V- it will not affect our analysis. Looking at the load line, for a cathode voltage of 195V the bias point appears to be very nearly on the 0V grid curve. In reality we know that the cathode should be a couple of volts more positive than this, but that simply pushes the bias point even further up the load line! The problem is, by having a high anode voltage on the previous stage, we are forcing the cathode follower to bias so hot that it will be beginning to draw grid current. This will drag down the anode voltage of the previous stage and simultaneously raise the cathode voltage of the follower, increasing its bias. Eventually an equilibrium point will be reached where the grid current generates enough bias to prevent any further increase in grid current. In other words, the valves will come to rest with grid current permanently flowing into the cathode follower (experimentation suggests about 0.4mA or so). All this happens very quickly at switch-on of course.

This is the second reason why the stage is badly designed; we 'should' have used a triode with a much lower anode resistance, such as an ECC82, which would make the grid curves steeper and would allow "normal" biasing. Another option would have been to increase the follower's cathode load resistor, to say 220k (shown in feint on the graph) which would also allow a more normal bias point of about -0.75V, although the large resistance would retard the "textbook" performance of the follower.

DCCF3.jpg
So we now have a cathode follower that is permanently 'stealing' current from the previous stage; what is the result? If a down-going signal appears at the gain stage's anode the grid voltage of the follower is pushed down back into the area of "normal operation", and grid current stops flowing more or less immediately, for the duration of that cycle. But when the incoming signal is positive going the grid is pushed more positive, which induces even more grid current to flow into the cathode follower as it tries to maintain bias, which in turn 'drags down' the anode voltage of the gain stage which is trying to move positive! In other words, the up-going cycles are very heavily compressed, but the down going ones are not, which generates a lot of second harmonic distortion. This is only made possible by the DC coupling, and is why this circuit is so often used in high gain amps- it can warm up a signal that already contains too many high-order harmonics, and return a rather fuzzy sound to a rich, creamy distortion tone. The effect can be increased by lowering the follower's cathode load resistor, to say, 68k, 56k or even 47k. A 47k load line is also shown in feint on the graph above, and clearly shows that the bias point wants to be well above the 0V grid curve- so considerable grid current must flow to force the voltages to allow the follower to bias sufficiently, and experimentation suggests this is around 0.8mA. This causes even more compression, and is perhaps the easiest way to warm up the tone of an amp- the difference is immediately obvious, and far better value-for-money than fiddling around with coupling capacitor types or carbon comp' resistors. The circuit on the right is my preferred version (the added resistors and diode are protections components and do not affect tonality, see below.)

The oscilloscope traces below show a ~20V p-p, 1kHz output from the cathode follower and the input signal to the gain stage's grid (which has been inverted and scaled for comparison). Notice how only the positive part of the cycle is affected, clearly demonstrating the heavy compression and also the increase in compression for a lower load resistance.
DCCF4.jpg




A Useful Mod' for DC-coupled cthode followers:
CathodeFollower4.jpg
It is very common to see a DC coupled cathode follower in a guitar amp, often before a tone stack. The traditional arrangement suffers from the problem that on start up, the grid will immediately rise to HT potential while the cathode is still cold, at ground potential. It is not unknown for this to cause arcing between the electrodes, and rapid destruction of the valve, even when a standby switch is used (I have burnt out more than one valvwe this way!). This problem can be easily corrected by connecting an ordinary rectifier diode (such as a 1N4007) and resistor between grid and cathode [diagram a]. At start up, this will keep the cathode within a few tens of volts of the grid. Once hot, the valve will bias with the cathode at a higher potential than the grid and the diode will be reverse biased, off. The resistor is included to prevent any switching noise that might be caused if the cathode follower were overdriven (in a hifi circuit the resistor would be omitted).
When reversed biased a diode acts more-or-less like a capacitor. The capacitance of most diodes is of the order of 10pF. This is not a worry though, because capacitances between the grid and cathode are dividedby open-loop gain of the follower, so will reduce this to an effective value of less than 1pF typically.
Another solution [diagram b] is to use an ordinary neon bulb (not the kind advertised as mains indicators as these have a resistor built in). The neon will strike if the grid-cathode voltage exceeds about 90V, which is probably ok for most valves, but maybe not for high-gm types like the ECC88 which have a very close grid-cathode spacing.

Bootstrapping for more gain:
CathodeFollower5.jpg
Because the cathode follower acts as an impedance buffer we can use it to 'bootstrap' the previous stage. This is done by splitting the previous stage's anode resistor into two equal parts and connecting a capacitor from the cathode follower's cathode, to the junction of the two resistors [see right]. The cathode follower then effectively multiplies or bootstraps the value of the lower anode resistor R2, making it look like a constant-current source. This will increase the gain of the previous stage so it becomes almost equal to the mu of the valve! An added bonus is that if you don't use a cathode-bypass capacitor, the gain is still very hgh (about 85-90 with an ECC83). Leaving the cathode unbypassed reduces blocking distortion and reduces 'fizzy' sounding overdrive, giving better crunch. Usually you sacrifice a lot of gain though, but not in this case! So I guess you can have you cake and eat it too...
 
  • #138
Ich auch!

Eingangsspannung 2Vpp
1693679940439.png

Signalverzerrungen bereits erkennbar, da der CF Eingangswiderstand zwar hoch, aber nicht unendlich hoch ist und den Ausgang der der vorgelagerten Stufe bereits etwas "belastet"
1693680117742.png

FFT Klirrspektrum
1693680166865.png


Deine Schaltungsvariante mit der Schutzdiode
1693681161440.png

Ziemlich identische Situation, marginal höhere Belastung da der wirksame CF-Eingangswiderstand etwas sinkt (noch vernachlässsigbar)
1693681280401.png



Dagegen 1k statt 10k in Serie an der Diode:
1693681490146.png

Deutlich erkennbare Zunahme der Signalverzerrungen, zudem sinkt die RMS-Ausgangsspannung deutlich merkbar!
1693681643133.png
 

Anhänge

  • 1693681132194.png
    1693681132194.png
    134 KB · Aufrufe: 99
  • #139
Nach wie vor 2Vpp Eingangsspannung:
1693682189449.png

Die oben noch "erkennbaren" Signalverzerrungen sind so ziemlich verschwunden:
Der Ausgang an U1 verhält sich quasi so als würde er unbelastet im "Leerlauf" betrieben werden!
1693682434397.png

Klirrspektrum
1693682730878.png


Das muß dann natürlich "ganz anders" klingen als oben! Mit dem Koppel-C an sich hat's aber herzlich wenig zu tun.
Und da sag nochmal einer unterschiedliche Röhren hätten unterschiedlichen Klang. Oder betone die besondere Wichtigkeit(!) der Initial Stage V1 und die Notwendigkeit von Röhren bester Qualität!
Das sind schon ungemein mächtige Schrauben an denen man da klanglich drehen kann, oder besser, drehen könnte!
 
Zuletzt bearbeitet:
  • #140
DCCF3.jpg
...In other words, the up-going cycles are very heavily compressed, but the down going ones are not, which generates a lot of second harmonic distortion. This is only made possible by the DC coupling, and is why this circuit is so often used in high gain amps- it can warm up a signal that already contains too many high-order harmonics, and return a rather fuzzy sound to a rich, creamy distortion tone. The effect can be increased by lowering the follower's cathode load resistor, to say, 68k, 56k or even 47k. A 47k load line is also shown in feint on the graph above, and clearly shows that the bias point wants to be well above the 0V grid curve- so considerable grid current must flow to force the voltages to allow the follower to bias sufficiently, and experimentation suggests this is around 0.8mA. This causes even more compression, and is perhaps the easiest way to warm up the tone of an amp- the difference is immediately obvious, and far better value-for-money than fiddling around with coupling capacitor types or carbon comp' resistors. The circuit on the right is my preferred version (the added resistors and diode are protections components and do not affect tonality, see below.)
Da hat der gute Herr Biencow aber sowas von recht, und wie die Schaltungsbeispiele oben ja eindrücklich dokumentieren.
Was er hier allerdings etwas verschweigt, oder einfach untern Tisch fallen lässt, je weiter man mit dem Dioden Serienwiderstand runtergeht, desto stärker wirkt der ganze Effekt an Zunahme der 2nd Order Harmonics und Kompression der positiven Halbwelle.
Gefühlt aus dem Bauch heraus würde ich nicht unter 47k gehen wollen, er hat 10k gewählt für seine persönlich bevorzugte Schaltungsvariante, funktioniert ja auch!

Indirekt sagt der Biencow damit dann aber auch aus, dass eine Röhre keinen "Eigenklang" wie "Mitten betonend" oder "Grindy" oder "Smooth" hat, oder sonst irgendwelche zugesagten klanglichen Eigenschaften, sondern ihre klanglichen Eigenschaften überhaupt erst durch die Schaltung erhält an der sie arbeitet. Für alle Anhänger des Tube Rollings mit teuren Röhren oder Röhren mit möglichst viel Gain für möglichst viel "Verzerrung" oder allgemein möglichst viel "Gain" ein voller Schlag ins Gesicht!
Und wenn man sich selbst gegenüber mal ehrlich ist, man weis es nicht erst seit gestern...

A Useful Mod' for DC-coupled cthode followers:
CathodeFollower4.jpg
Hier sind's dann doch immerhin 47k, Biencow bevorzugt in seiner favorisierten Variante (siehe oben) halt 10k...

Und jetzt die Gretchenfrage, was wäre wenn man Sound Tuning betreibt, weil man vielleicht eine Nuance weniger des "Tuby like" Soundfärbung bevorzugen würde? So in Richtung einen Hauch mehr cleaner Headroom vielleicht bevorzugt?
 
Zuletzt bearbeitet:

Affiliate Links
Graph Tech
TUSQ XL 6 String Slotted
12,90 €
Jetzt kaufen

Beliebte Themen

Zurück
Oben Unten