Was genau meinst du?Würde mich auch interessieren! Wenn schon denn schon!
Folge dem Video um zu sehen, wie unsere Website als Web-App auf dem Startbildschirm installiert werden kann.
Anmerkung: Diese Funktion ist in einigen Browsern möglicherweise nicht verfügbar.
Was genau meinst du?Würde mich auch interessieren! Wenn schon denn schon!
Die Front wurde über die Firma Schaeffer AG gefertigt. Eine Berliner Firma, die unter anderem Frontplatten auf Kundenwunsch herstellt. Das Template kann natürlich gern genutzt/optimiert/angepasst werden.
Die Frontplatte inkl. MwSt. und Versand 115 €. Sollte es mal eine Sammelbestellung z.B. für Stratitis-Contour-Mods geben, ab 5 Stück läge man inkl. Versand schon bei 100 €.Kostenpunkt
Am 17.09. bestellt, am 25.09. erhalten.Lieferdauer
Fairer Preis. Darunter wird man im Handwerk als Sonderbestellung wohl kaum noch irgendeine hochwertige Ware bekommen.Die Frontplatte inkl. MwSt. und Versand 115 €.
Dafür spart man ja beim Amp...Fairer Preis. Darunter wird man im Handwerk als Sonderbestellung wohl kaum noch irgendeine hochwertige Ware bekommen.
+1Fairer Preis. Darunter wird man im Handwerk als Sonderbestellung wohl kaum noch irgendeine hochwertige Ware bekommen.
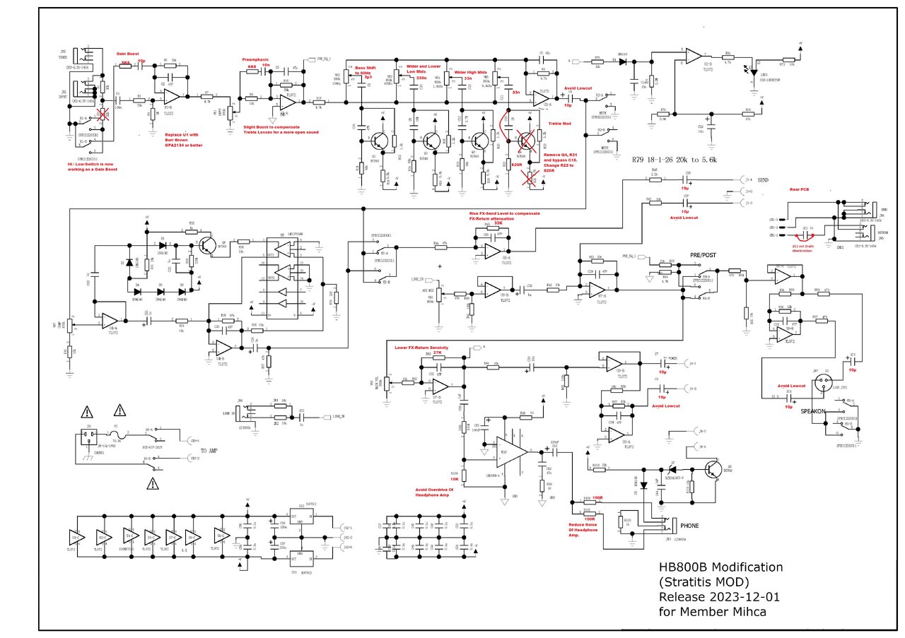
Hast du den Schaltplan? Ich würde mir das gerne mal ansehen.
Der Eingriff der mir da vorschwebt muss gar nicht aufwändig sein. Beim Orange Squeezer (auch kein kompliziertes Ding) hatte ich ziemlich großen Erfolg damit am Anfang der "Side-Chain" (der Begriff passt da nicht ganz) einen recht niedrig dimensionierten Kondensator (als kruden High-Pass-Filter) seriell zuschalten.
Der LM13700 ist der OTA der auch im Dynacomp steckt, oder?
Das Forum scheint zu skalieren…hast du das vielleicht in besserer Auflösung? Ich kann die Beschriftung leider gar nicht lesen.
