Folge dem Video um zu sehen, wie unsere Website als Web-App auf dem Startbildschirm installiert werden kann.
Anmerkung: Diese Funktion ist in einigen Browsern möglicherweise nicht verfügbar.
Ja, das würde dann auch besser zur 115 passen....oder aus der 4Ohm eine 16Ohm-Box machen![]()
Ich hatte den DP150 in den 80ern auch. Kann mich an die Testberichte erinnern, die ich vor dem Kauf immer und immer wieder gelesen hatte (von wegen Vorfreude und so). Darin stand 'MOSFET'.An die Spezialisten hier: da ich noch nicht im Feierabendmodus bin und nicht aufwendig suchen kann: was hat denn der 150er für eine Endstufenbestückung? Vom 300erter meine ich im Hinterkopf zu haben dass es eine MOSFET-Endstufe ist.
Du hast den Preci vergessenHier wäre ein Vong gut und wichtig
Stimmt schon. Es gibt nur manchmal so Trends die etwas ausarten. Highpassfilter gibt es ja schon ewig lange, ich nutze auch einen, schon bevor vom Vong überhaupt die Rede war. Damals hat das kein Schwein gejuckt. Bei manchen Amps die es hatten wurde es als nettes, aber nicht notwendiges Gimmic betrachtet.
Aber seit einiger Zeit ist der Vong die Antwort auf gefühlt jedes Thema, egal was die Frage war. Das fand ich, sagen wir mal, schwierig. Sowas kommt immer mal wieder im Forum, frag FMC, die Redrock, die Basswitch, das Helix, den Steamhammer. Alles gute Sachen, die zurecht oft erwähnt werden, aber nicht das Allheilmittel für jeden. Aber ich schweife ab...
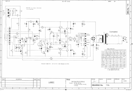
Anbei ein paar Bilder und Schaltplänetja, so viel zum Wert mancher Aussagen.
An die Spezialisten hier: da ich noch nicht im Feierabendmodus bin und nicht aufwendig suchen kann: was hat denn der 150er für eine Endstufenbestückung? Vom 300erter meine ich im Hinterkopf zu haben dass es eine MOSFET-Endstufe ist.
Schaltpläne seh ich jetzt nicht, aber j50+k135 sind definitiv Mosfets...Anbei ein paar Bilder und Schaltpläne![]()
