Gitarristen haben sich nicht über Rauschen zu beschweren...ausgerechnet.nun ja, ich brauche den tuner als killswitch und rusty rauscht ein bisschen, nich wirklich schlimm aber mein gitarrist schimpft schon immer
Folge dem Video um zu sehen, wie unsere Website als Web-App auf dem Startbildschirm installiert werden kann.
Anmerkung: Diese Funktion ist in einigen Browsern möglicherweise nicht verfügbar.
Gitarristen haben sich nicht über Rauschen zu beschweren...ausgerechnet.nun ja, ich brauche den tuner als killswitch und rusty rauscht ein bisschen, nich wirklich schlimm aber mein gitarrist schimpft schon immer
Gitarristen haben sich nicht über Rauschen zu beschweren...ausgerechnet.
Danke, ich hab die gleiche Funke daheimRepekt....hat er gut erkannt..Und recht.. die Funke braucht 12V.. aber es gibt auch von Powerplant einen mit nem 12V-Anschluss
Gitarristen brauchen ein Noisegate! Besser zwei (wenn die Box abgenommen wird und über die PA läuft). So ein High-Gain Amp rauscht wie ein Wasserfall ...Gitarristen haben sich nicht über Rauschen zu beschweren...ausgerechnet.
Danke, ich hab die gleiche Funke daheim
Gitarristen brauchen ein Noisegate! Besser zwei (wenn die Box abgenommen wird und über die PA läuft). So ein High-Gain Amp rauscht wie ein Wasserfall ...
so, am gk is nun doch ein eindeutig wahrnehmbares tonesucking mit dem tuner hinter der rusty box zu bemerken.
wird also doch wieder umgebaut, scheiß auf's rauschen.
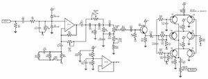
?diese komische Transistorstufe am Ende vom Rusty da
was genau meinste denn mit ?

wer von euch nutzt denn nen buffer und welchen und mit welcher kabellänge und wievielen fx dahinter?
wie sind eure erfahrungen?
