PA-Trick
Active Member
Nachdem wir schon bei Nachbesserungen sind 
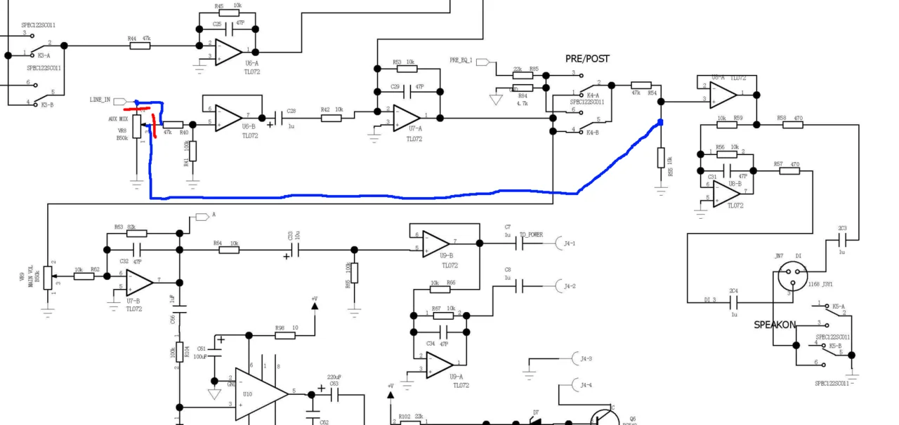
Ich bin sehr happy mit meinem gemoddeten BB800; eine kleine, praktische Verbesserung wäre noch die DI, die da sowieso verbaut ist:
Wäre es möglich, diese regelbar zu machen? Also irgendwo ein entsprechend dimensioniertes Poti reinzuhängen und zB das sinnlose Line-In Poti damit zu ersetzen?
(Ich weiß, idealerweise ist alles korrekt eingepegelt, und es ändert sich maximal der Master während der Show, aber grad Hochzeits-artige Gigs sind oft messy und ohne FOH-Mensch... da ist der Line-Out Regler ein Markbass-Feature, das ich sehr schätze.)
Ich bin sehr happy mit meinem gemoddeten BB800; eine kleine, praktische Verbesserung wäre noch die DI, die da sowieso verbaut ist:
Wäre es möglich, diese regelbar zu machen? Also irgendwo ein entsprechend dimensioniertes Poti reinzuhängen und zB das sinnlose Line-In Poti damit zu ersetzen?
(Ich weiß, idealerweise ist alles korrekt eingepegelt, und es ändert sich maximal der Master während der Show, aber grad Hochzeits-artige Gigs sind oft messy und ohne FOH-Mensch... da ist der Line-Out Regler ein Markbass-Feature, das ich sehr schätze.)




