Vierzeug
Member
- Beiträge
- 17
- Bassix
- ß1.746
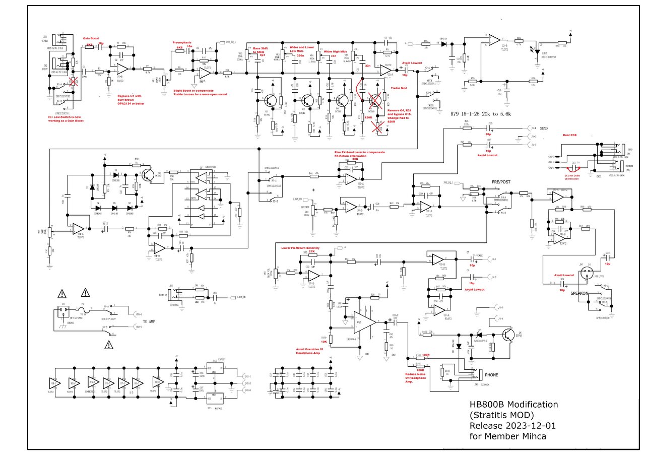
Ich steh jetzt auch vor der Frage, welche der Mods von Stratitis ich laut Stückliste und Beschreibung am MK2 durchführen kann, ohne nachher darüber nachdenken zu müssen, ob ich die richtige Idee falsch ungesetzt oder eine inzwischen falsche Idee richtig umgesetzt habe...Ich habe alles für die preamp-relevanten mods überprüft, siehe auch Zeichnung weiter oben. Angaben natürlich ohne Gewähr. Ich bin sehr happy mit dem teil, vor allem die Anpassung des treble Eq Punkts für den MK2 (Vorsicht, andere Werte als beim 1er) hat bei mir den Unterschied zwischen "okay" und "tut genau was ich will" gemacht.
Ganz konkret: Wenn ich den Thread richtig lese hast, Du letztlich alles umsetzen können, was vor "Damit ist das Debugging abgeschlossen" kommt - und außerdem den Kopfhörerverstärker entrauscht und Treble-Eq mit neu berechneten Werten angepasst. Hast Du eine Meinung zur Umsetzbarkeit des Subbass-Mod beim MK2 oder hast Du den mit Rücksicht auf Deine Boxen erstmal komplett ausgeklammert?
Ich selbst trau mir zwar zu, die Mods nach Anleitung durchzuführen - Neuberechnungen sind aber jenseits meiner Möglichkeiten. Da ich dem Subbass aber mit einem Vong-Filter zu Leibe rücken würde, fände ich diese Freischaltung unten rum ganz spannend.
