Folge dem Video um zu sehen, wie unsere Website als Web-App auf dem Startbildschirm installiert werden kann.
Anmerkung: Diese Funktion ist in einigen Browsern möglicherweise nicht verfügbar.
Ist das ein aktiver PU? Kann ich den einfach mit dem originalen j tauschen, also ohne fräsen, ohne den steg und ohne die elektronik zu wechseln? Falls ja, kannst du mir die genaue Bezeichnung des emg sagen? Der j rauscht wirklich wie sau, den drehe ich immer raus, aber ohne Steg-PU klingt es dann fad, zumal ich flats draufhabe. Was hast du denn für Saiten drauf?Ich bin mittlerweile auch zufrieden mit meinem TMB35, allerdings habe ich auch einiges dafür geändert.
Anhang anzeigen 796912
- Als erstes war mir das Stringspacing zu groß, weshalb ich ihm gleich zu Anfang eine neue Brücke verpasst habe, nachdem ich mich dazu entschlossen hatte, ihn zu behalten.
- Dann fand ich die Brummneigung des J-PUs zu groß (zumindest on stage in Verstärkernähe), weshalb ich ihn gegen einen gestackten EMG Humbucker getauscht habe.
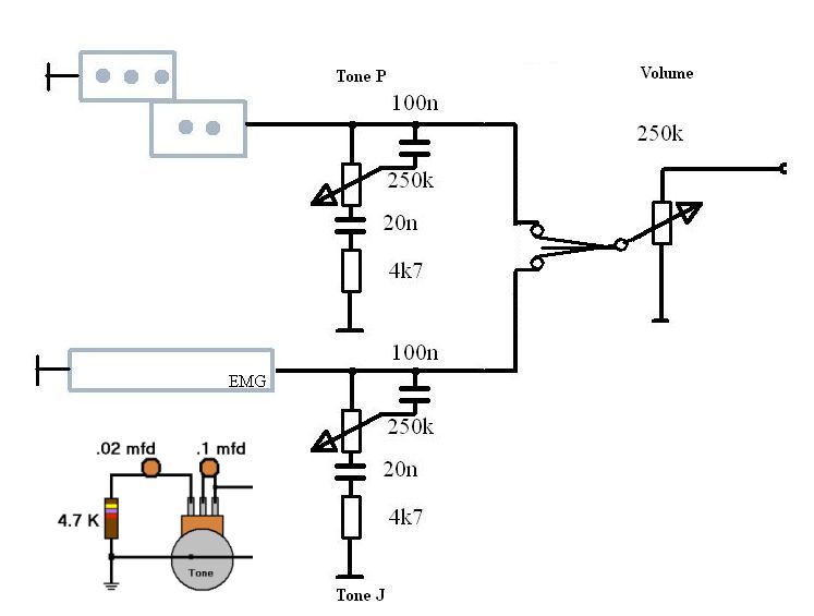
- Die Klangregelung der Pickups fand ich ziemlich unterirdisch, zumal es für beide nur ein gemeinsames Ton-Poti gab, das - wie üblich - nur in den letzten 10° Regelweg wirksam war. Ähnliches galt für die beiden Lautstärke-Potis, mit denen das Mischen wegen der Kürze des wirksamen Regelweges sehr fummelig war. Ich hab deshalb die Schaltung ganz umgebaut, einen Umschalter hinzugefügt, den einzigen Tonregler zum gemeinsamen Vol-Poti ernannt und die beiden ursprünglichen Lautstärkeregler zu Reglern jeweils einer eigenen Greasebucket Tonregelung gemacht. Vom Klang gefällt mir das jetzt ganz gut, beide Pickups lassen sich sehr fein im Klang regeln und mit dem Schalter entweder mischen oder umschalten. Die Schaltung sieht jetzt so aus:
Ein bißchen Kosmetik ist auch, gleich zu Anfang hab ich die billigen Plastik-Drehknöpfe getauscht, auf der Chromplatte einen passenden silbernen und auf dem Schlagbrett welche in schwarz, wo sie neben dem PU-Umschalter nicht mehr auffallen.
Der Austausch des j-PU war etwas mühsam, da die Lochung nicht stimmte, weshalb ich die alten Löcher erstmal verschließen mußte. Der EMG ist nur geringfügig kürzer als der originale Jazz-Pickup, deshalb hab ich die Fräsung auch so gelassen. Ich finde, zumindest von weitem fällt es nicht so auf.
Anhang anzeigen 796914
Den Schalter erkennt man dank des schwarzen Knebels kaum, bestenfalls aus der Nähe. Für das Versenken des Schalters war natürlich eine Bohrung nötig, was aber kein Problem ist, da unter dem Pickguard ausreichend Platz ist. Jetzt bin ich erstmal zufrieden mit Klang und Handling, immerhin sind die 5-Saiter Shorties ja auch nicht soo dick gesät.![]()
Die Größe ist doch egal, was sollen denn die Gitarristen sagen.Ich finde das Video sehr unterhaltsam und es macht mir (noch) mehr Appetit auf einen Shortscale - auch wenn der an mir mit meinen 198cm bestimmt sehr lustig aussehen wird…
Obwohl: So ein Guild Starfire würde mir bestimmt stehen…![]()
Womit machst du das?bündig abknipsen
Der ist insgesamt auch nicht viel kürzer als Longscales…So ein Guild Starfire würde mir bestimmt stehen…
mit einem Vornschneider.Womit machst du das?
Und der passt auch zum standard Stringspacing?Nö, das ist ein passiver EMG HZ, ich glaube da gibts inzwischen einen Nachfolgetyp.
Ohne fräsen ja, aber die Löcher sind so knapp daneben, daß man nicht einfach neu bohren kann (sonst rutscht das neue Bohrloch in den alten Bohrkanal), sondern die alten Löcher müssen erst verschlossen werden. Ich mach das mit Zahnstochern...
Anhang anzeigen 796935
Wenn der Holzleim trocken ist, bündig abknipsen, dann kann man neu bohren. Es gibt/gab diesen Pickup in zwei Längen L(ong) und S(hort), das hier ist der kurze. Vielleicht gibts die Unterscheidung bei den Nachfolgetypen auch. Er ist halt sehr minimal kürzer, was mir lieber war als länger, dann hätte ich die Fräsung erweitern müssen.
Anhang anzeigen 796936
//
ach ja, da war ja noch ne Frage... ich spiele D'Addario Halfrounds auf fast allen Bässen.
Ich weiß - daher würde der ja auch eher zu meiner Größe passen als die üblichen Shorties.Der ist insgesamt auch nicht viel kürzer als Longscales…
Ich hatte ja kurz den Ibanez TMB-30 hier. An dem habe ich einiges an Optimierungsmöglichkeiten (manches auch erst nach dem zweiten oder dritten Blick) entdeckt. Da das gelieferte Instrument auch noch eine defekte Mechanik hatte, ging er wieder zurück und ich konnte weitersuchen.Der Ibanez TMB-30 geht leider zurück
Die Mechanik der D-Saite ist nicht in Ordnung:
Beim normalen Stimmen mit einer Viertel Umrehung fiel das nicht auf, aber gestern wollte ich die Saiten komplett runter nehmen, um das Griffbrett zu ölen.
Bei der D-Saite wurde es immer schwergängiger und irgendwann machte es "Knack!" und es ging wieder leicht. Ich habe vorsichtig weiter gedreht, und es wurde wieder schwergängiger - ein weiteres "Knack!" habe ich gar nicht mehr riskiert.
Da passen wohl Zahnrad und Schnecke nicht zusammen.
Der Bass ist für den Preis wirklich gut, aber ich werde aber keinen Neuen schicken lassen, da ich diverse Modifikationen vornehmen will. Und die mache ich nicht an Neuware mit Garantie, sondern dafür warte ich geduldig bis mir ein Gebrauchter zufliegt (siehe hier: https://www.bassic.de/kleinanzeigen/suche-shorty.51008/).
Mal sehen, was aus meiner Geschichte mit Shortscale wird, es bleibt spannend.
Klassisch oder Lollipop, kein Y. Kurze Achse haben die, meine ich.Sollen die neuen Mechaniken gleiche/ ähnliche Form wie das Original haben?
Welches Gewicht haben die Originale (inkl. Schräubchen und Hülse)?
Welchen Durchmesser haben die Bohrungen in der Kopfplatte?
