Heute bin ich nach einer ruhigen Fahrt durch ein fast leeres Hamburg dazu gekommen, etwas weiter zu basteln.
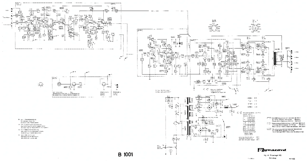
Zuerst nehme ich mir den Dynacord A1000 vor. Er hat ja nur eine Transistor-Treiberstufe, die recht still ist, deshalb bleibt sie erstmal drin. Die Transistor-Eingangsstufe des B1001 hat der A1000 nicht, sonst scheint er identisch zu sein.
Davor baue ich statt der Transistor-Vorstufe des B1001 die Röhren-Vorstufe aus dem Eminent mit der ECC808, erstmal nur mechanisch montiert, die abgeschirmten Kabel sind noch in der Post. Den Eingangswiderstand der Transistor-Treiber-Stufe werde ich etwas erhöhen, indem ich den 220k-Widerstand am Eingang entferne, dann sollte es hochohmig genug für das passive Netzwerk sein.
Sollte die Verstärkung nicht reichen, setze ich statt des Transistortreibers eine ECC83-Stufe mit Masterpoti zwischen den Röhren rein, damit ich Vollaussteuerung der Endstufe hinbekomme.
Die Doppelpotis werden durch Einzel-Potis ersetzt und mit der Platine verbunden. Ein Problem ist die Eingangsbuchse, die isoliert montiert werden muss, da der Amp eine Sternmasse beim Netzteil hat, dort laufen alle Massen zusammen.
Am Ausgang habe ich von den vier Klinkenbuchsen drei mit 4, 8 und 16 Ohm verbunden und die vierte ausgebohrt, das wurde die Eingangsbuchse.
Von links:
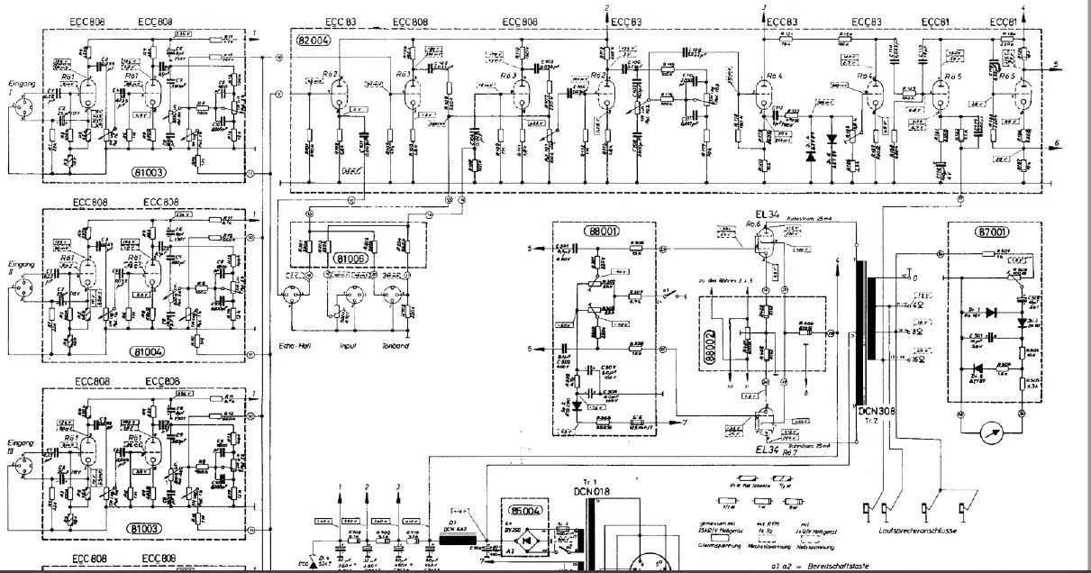
Eingangsbuchse (isoliert montiert), Gain, Bass, Treble, rechts daneben kommt noch ein Master (wohl zwischen Transistor-Stufe und Phasendreherstufe).
Ein Problem ist die isolierte Klinkenbuchse. Da muss ich das Loch in der Frontplatte so weit ausfeilen, dass auch dicke Klinkenstecker reingehen, ohne Kontakt zur Alu-Frontplatte zu bekommen.
Das Poti ragt nicht mittig durch das Loch, weil die Frontplatte nicht fixiert ist. Kleinere Abweichungen werden aber auch durch die von mir recht groß gewählten Knöpfe verdeckt, wenn ich die Potistangen gekürzt habe (Dremel ist bestellt).
Zusätzlich werde ich noch mit einem Verstärkungsfaktor-Regler der ersten Stufe experimentieren. Wenn man den zweiten Eingang, der eigentlich als Mikrofoneingang gedacht ist, über ein 50K Poti mit Masse verbindet, kann man die Wechselspannungsverstärkung der ersten Stufe regeln, da man dann damit den Elko stufenlos parallel zum Kathoden-Widerstand legen kann.
Ausserdem werde ich den Widerstand vom Gitter nach Masse von 100K auf 680K vergrößern, damit die Eingangsimpedanz größer wird und auch für passive Bässe brauchbar wird. Mal sehen, wie es klingt!
Die Netzsiebung ist noch nicht fertig, da mir die Bohrer 1,2, 1,3 und 1,5 mm fehlen, in die Epoxid-Lochrasterplatte bekommt man nichts ohne Vorbohren rein, wenn es dicker als 1 mm ist.
So long
Chr.
Zuerst nehme ich mir den Dynacord A1000 vor. Er hat ja nur eine Transistor-Treiberstufe, die recht still ist, deshalb bleibt sie erstmal drin. Die Transistor-Eingangsstufe des B1001 hat der A1000 nicht, sonst scheint er identisch zu sein.
Davor baue ich statt der Transistor-Vorstufe des B1001 die Röhren-Vorstufe aus dem Eminent mit der ECC808, erstmal nur mechanisch montiert, die abgeschirmten Kabel sind noch in der Post. Den Eingangswiderstand der Transistor-Treiber-Stufe werde ich etwas erhöhen, indem ich den 220k-Widerstand am Eingang entferne, dann sollte es hochohmig genug für das passive Netzwerk sein.
Sollte die Verstärkung nicht reichen, setze ich statt des Transistortreibers eine ECC83-Stufe mit Masterpoti zwischen den Röhren rein, damit ich Vollaussteuerung der Endstufe hinbekomme.
Die Doppelpotis werden durch Einzel-Potis ersetzt und mit der Platine verbunden. Ein Problem ist die Eingangsbuchse, die isoliert montiert werden muss, da der Amp eine Sternmasse beim Netzteil hat, dort laufen alle Massen zusammen.
Am Ausgang habe ich von den vier Klinkenbuchsen drei mit 4, 8 und 16 Ohm verbunden und die vierte ausgebohrt, das wurde die Eingangsbuchse.
Von links:
Eingangsbuchse (isoliert montiert), Gain, Bass, Treble, rechts daneben kommt noch ein Master (wohl zwischen Transistor-Stufe und Phasendreherstufe).
Ein Problem ist die isolierte Klinkenbuchse. Da muss ich das Loch in der Frontplatte so weit ausfeilen, dass auch dicke Klinkenstecker reingehen, ohne Kontakt zur Alu-Frontplatte zu bekommen.
Das Poti ragt nicht mittig durch das Loch, weil die Frontplatte nicht fixiert ist. Kleinere Abweichungen werden aber auch durch die von mir recht groß gewählten Knöpfe verdeckt, wenn ich die Potistangen gekürzt habe (Dremel ist bestellt).
Zusätzlich werde ich noch mit einem Verstärkungsfaktor-Regler der ersten Stufe experimentieren. Wenn man den zweiten Eingang, der eigentlich als Mikrofoneingang gedacht ist, über ein 50K Poti mit Masse verbindet, kann man die Wechselspannungsverstärkung der ersten Stufe regeln, da man dann damit den Elko stufenlos parallel zum Kathoden-Widerstand legen kann.
Ausserdem werde ich den Widerstand vom Gitter nach Masse von 100K auf 680K vergrößern, damit die Eingangsimpedanz größer wird und auch für passive Bässe brauchbar wird. Mal sehen, wie es klingt!
Die Netzsiebung ist noch nicht fertig, da mir die Bohrer 1,2, 1,3 und 1,5 mm fehlen, in die Epoxid-Lochrasterplatte bekommt man nichts ohne Vorbohren rein, wenn es dicker als 1 mm ist.
So long
Chr.
Zuletzt bearbeitet:

...