Frag doch mal @disssa , evtl. hat er Zeit für sowas.Gibt es hier Jemanden, der sich mit Geld zu einer solchen Dienstleistung zwingen lässt ?
Folge dem Video um zu sehen, wie unsere Website als Web-App auf dem Startbildschirm installiert werden kann.
Anmerkung: Diese Funktion ist in einigen Browsern möglicherweise nicht verfügbar.
Frag doch mal @disssa , evtl. hat er Zeit für sowas.Gibt es hier Jemanden, der sich mit Geld zu einer solchen Dienstleistung zwingen lässt ?
Das ist eine dumme Unsitte, die irgendwie um sich greift. Lass dir gleich einen Sockel rein basteln...
Das ist im Prinzip der Nachbau eines Fender Dual Showman Preamps, dessen Schaltung man dann in vielen anderen Röhrenpreamps ála Alembic & Co. wiederfindet.Ich habe hier einen SushiBox FX Particle Accelerator:...
Klartext: Die verbaute 6N21B Röhre ist mikrofonisch und es müsste eine neue rein.
Die sind aber verlötet und ich verfüge nicht über die Kolbenkompetenz, das zu machen.
Gibt es hier Jemanden, der sich mit Geld zu einer solchen Dienstleistung zwingen lässt ?
Doch, die gibt es tatsächlich. Die sind nur äußerst schwer zu finden und dann auch noch recht teuer. Da die Röhre (eigentlich) recht robust ist und über eine lange Lebensdauer verfügen soll, wird sie gerne einfach fest (so wie hier z.B.)verlötet.Ich bin da jetzt kein Experte, aber wenn ich die Röhre bei Google anfrage, dann sieht die auf den Bildern immer etwas Quallenartig aus:
Ich glaube nicht, dass es für den Typ Sockel gibt. . .
Das ist eine russische. Da wird dann auch die Beschaffung chwierig, Google hat da nichts offensicvhtliches ausgespuckt...Ich bin da jetzt kein Experte, aber wenn ich die Röhre bei Google anfrage, dann sieht die auf den Bildern immer etwas Quallenartig aus:
![]()
Ich glaube nicht, dass es für den Typ Sockel gibt. . .
Viele dieser Röhren aus russischer Produktion sind noch in recht hoher Stückzahl als NOS z.B. bei eBay erhältlich.Das ist eine russische. Da wird dann auch die Beschaffung chwierig, Google hat da nichts offensicvhtliches ausgespuckt...
VORSICHT! In dem Pedal arbeiten um die 200Volt!
Das ist kein loV Pedal, sondern an der Röhre arbeiten recht hohe Spannungen, die gefährlich werden können.





Ohne Effekte? Warum?ich die Effect Loop mit einem Patch-Kabel überbrücke (Send-Return)
Jep, ohne Effekte. Nun ja, ich habe schon öfter gelesen, dass die Kontakte vom Effekt-Loop korridieren können und dann Fehler verursachen. Um das auszuschließen habe ich den Effektloop vom Send zum Receive per Klinkenkabel verbunden - gleicher Fehler: Sporadisch ist der Amp plötzlich auf maximaler Lautstärke.Ohne Effekte? Warum?
Was passiert ohne die Überbrückung?
Was wurde damals repariert?
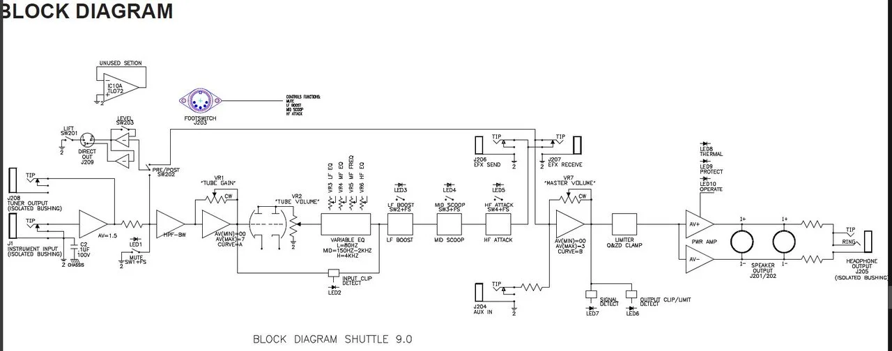
Ich habe bisher nur das Blockschaltbild aus der Bedienungsanleitung. Jeff Genzler habe ich vorhin angeschrieben, mal schauen ob da was kommt.Gibts zum GenzBenz einen Schaltplan? Das wäre Grundvorraussetzung, um vernünftig suchen zu können.
Jep, alle direkt auf der Platine. Das Master-Volume-Poti ist ja schon vom Rockshop und später mal von mir getauscht worden, eben weil hier der Fehler vermutet wurde - das hat aber nichts gebracht. Meinst du es könnte an einem anderem Poti liegen? Ein Versuch isses wert - ich werd' morgen die Platine mal ausbauenDie Potis sitzen direkt auf der Platine? Alle mal proaktiv nachlöten....

Stimmt schon, im Prinzip. Aber @Tobse schreibt ja, dass der Amp auf Vollgas ist, selbst wenn alle Potis auf Null sind und der Mute-Schalter gedrückt ist. Da müsste ja gleich alles gleichzeitig kaputt sein. Vor allem finde ich interessant, dass der Mute nix nützt. Man müsste halt mal im Schema sehen, wie die Funktion umgesetzt ist, aber wenn da einfach das Signal gegen Masse "kurzgeschlossen" wird, und das eben nicht mehr funktioniert, könnte es an der Masse liegen. Eine defekte Masseverbindung vom Netzteil her, oder sowas.wenn VR1 VR7 Gegenkopplung machen, dann könnte eine Unterbrechung an einem der äußeren Pins den "Vollgas"-Effekt auslösen.
VR2 wäre ein Kandidat für ein freihängendes Massebein

das bedeutet, dass das Class D Modul im Brückenbetrieb läuft. BTL sync nach GND brückt die Stereoendstufe zu einer Monoendstufe (zumindest bei den mir bekannten B&O Modulen). Achtung: dabei hat dann der Speaker keinen GND Bezug mehr, wenn das Speaker (-) mit einer Masse in Berührung kommt, dann kracht es und alles ist futsch!Auf der Preamp-Platine hatte ich beim Messen am Stecker auch eine direkte Verbindung zwischen GND2 und "BTL SYNC" gemessen. Weiß jemand, was das bedeutet?
Har, das muss ich mir mal noch anschauen! Die Mini-Platine, auf der die beiden Speakon-Buchsen sitzen, hatte ich bisher nie ausgebaut, weil da alles so ordentlich aussah. Aber "dann kracht es" klingt so deutlich nach meinem Fehlerwenn das Speaker (-) mit einer Masse in Berührung kommt, dann kracht es
Vertrauen! Bisher haben meine Speaker die paar Sekunden Krach ausgehalten, und wenn ich sie jetzt noch in Reihe, zusammen dann 16 Ohm, anschließe hab ich keine große Angst mehrgesockelte IC.... raus, rein, oder Vetrauen?
