Folge dem Video um zu sehen, wie unsere Website als Web-App auf dem Startbildschirm installiert werden kann.
Anmerkung: Diese Funktion ist in einigen Browsern möglicherweise nicht verfügbar.
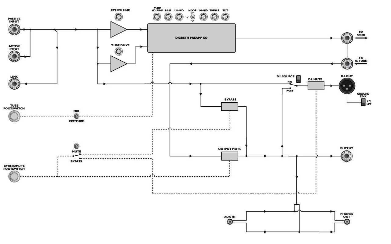
Weil vor dem EQ wäre dann genauso gut wie vor dem Amp.Frage zum Effektweg anhand des Blockdiagramms: Hä?!
Warum liegt der Send hinterm EQ?welchen Sinn macht dann die Nutzung des Effektwegs?
Anhang anzeigen 679794
hatte n Denkfehler... ich will Delay und Reverb ja nach der Zerre haben und nicht davor.
Alles gut, weitermachen!
gefällt mir vor dem Gnome auf der TL606 richtig gut.Hier dito!Ich bin schwer begeistert vom Sound der Kistegefällt mir vor dem Gnome auf der TL606 richtig gut.
70s Doom incoming!
Oh, bring mich nicht auf komische IdeenWas mir aufgefallen ist und was ich definitiv bei der nächsten Probe ausprobieren werde: der Hobel könnte dank des Link Out super geil für Bi-Amping sein. Der gibt ja das trockene Signal aus. Einmal so und einmal in die bis Anschlag aufgerissene Orange vom Gitter… könnte fetzen![]()
70s Doom incoming!
.Im Prinzip mit einem AB/Y Schalter. Ich habe eine Weile mit Biamping herumprobiert um das alles am Ende wieder abzubauen. Viel Geraffel, nervige Brummschleifen, irgend was war immer - evtl war ich aber auch zu doof dafür.Und noch weiter gesponnen: könnte man mit irgendnem anderen Pedal die Signale aus Out und Link Out noch auf dem Board wieder zusammenmixen und Mono ausgeben?![]()

Nutzte den mittlerweile auf zwei Touren und bin happy. Geiler Klang und FOHler waren auch immer zufrieden mit dem was sie aus dem DI bekommen haben.Hier dito!
Säuft in der Aufmerksamkeit bei den ganzen hippen Kistchen etwas ab - zu unrecht wie ich finde.
Boss LS-2 sollte das Können.ABY mit Poti wäre halt geil…
Nutzte den mittlerweile auf zwei Touren und bin happy. Geiler Klang und FOHler waren auch immer zufrieden mit dem was sie aus dem DI bekommen haben.

Das Ding plus Helix Effects, seit dem habe ich keine Fragen mehr in Sachen Effekte/Preamps.Nutzte den mittlerweile auf zwei Touren und bin happy. Geiler Klang und FOHler waren auch immer zufrieden mit dem was sie aus dem DI bekommen haben.
Vielen Dank für die Blumen!Richtig coole Mucke macht ihr! Gefällt mir sehr gut!
Sag Bescheid wenn ihr mal in der Gegend Hannover/Göttingen seid, da komm ich gerne auf n Bierchen rum![]()
Was hast du da genau hinten dran hängen?Das Ding plus Helix Effects, seit dem habe ich keine Fragen mehr in Sachen Effekte/Preamps.
Die Kette ist recht simpel:Was hast du da genau hinten dran hängen?

Was du immer alles hörst…Edit: Hmmm... es soll ja gerüchteweise Fuzzes mit eingebautem Noisegate geben![]()
Was du immer alles hörst…

Welchen Unterschied macht es denn, wenn ich meine beiden „Effekte“ (Chorus + Kompressor) einschleife anstatt sie einfach vor dem Preamp zu setzen?
Ergeben sich zusätzlich noch irgendwelche Vorteile daraus?
