Hardrockracer
Well-Known Member
Hi,
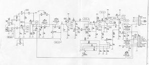
ich wollte hier nur nochmal zur Sicherheit und um nix falsch zu machen fragen:
Wenn auf einem Schaltplan (hier geht es speziell um den Schaltplan der Vorstufe des SVT II non pro bzw. des SVT IIP) die Stufen nicht explizit mit V1, V2, V3 etc. bezeichnet sind, wie finde ich heraus, welche Röhre welcher Stufe entspricht?
Ich Falle SVT IIP gibt es ja drei Stufen. Welche ist da genau für was zuständig?
Wäre nett, wenn jemand die Infos für mich hätte.
HRR
ich wollte hier nur nochmal zur Sicherheit und um nix falsch zu machen fragen:
Wenn auf einem Schaltplan (hier geht es speziell um den Schaltplan der Vorstufe des SVT II non pro bzw. des SVT IIP) die Stufen nicht explizit mit V1, V2, V3 etc. bezeichnet sind, wie finde ich heraus, welche Röhre welcher Stufe entspricht?
Ich Falle SVT IIP gibt es ja drei Stufen. Welche ist da genau für was zuständig?
Wäre nett, wenn jemand die Infos für mich hätte.
HRR


