EDIT:
Hallo,
ich hatte ja meine marode eshtronic gegen eine Noll TCM2 getauscht und fand das gelungen, alles ok. Jetzt möchte ich zu Demo-Zwecken die eshtronic wieder einbauen und habe als Elektronik-Fremder Probleme mit der Verkabelung. Leider waren einige Kabel defekt und ich habe versucht, diese zu ersetzen.
Strom hat der Bass, Volume-, Bass- und Tonregler funktionieren. Es kommt allerdings nur in Pos. 1 was (ganz hinten, Bridge-PU habe ich scheinbar richtig verlötet.). Die anderen Positionen sind tot. Ich hatte mir zwar Fotos vorher gemacht, aber die zeigen leider nicht alles (mein Fehler

, zumal ich auch das ein oder andere Kabel kürzen bzw. verlängern musste.
Ich habe versucht, alles anhand der Bilder zu rekonstruieren. Jetzt hängt nur noch die Strippe vom Neck-PU rum. Da er aber alleine nicht schaltbar ist, sondern nur mit dem Steg bin ich total überfordert, weil ich auch die Schaltung vom Dreh-Schalter nicht habe/kenne. Und dann soll der Steg ja auf 3 mit "herabgesetzter Resonanzfrequenz..." tönen...
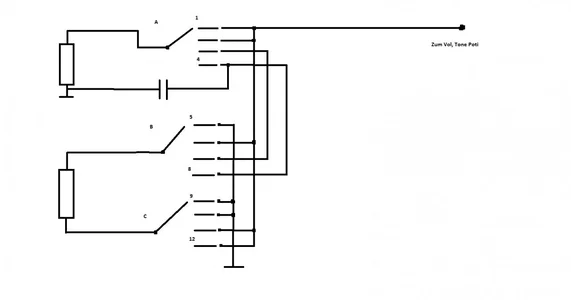
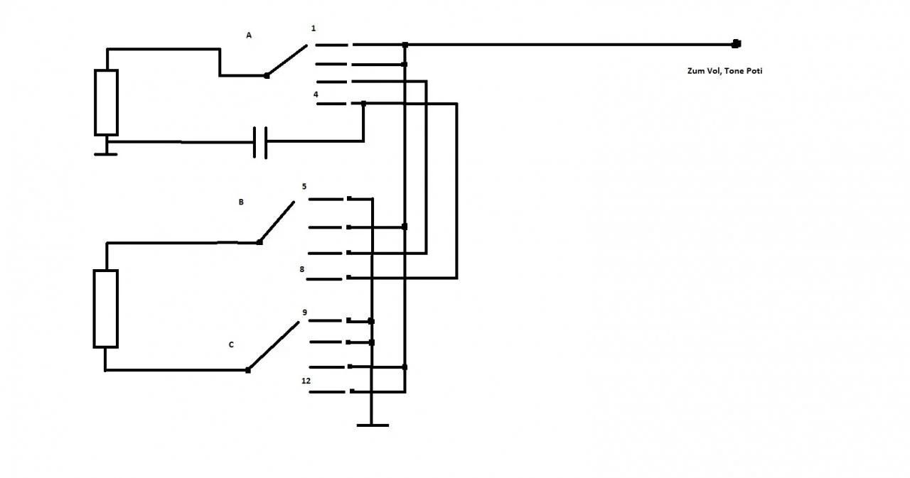
Hier eine teil-entlötete Aufnahme des Drehschalters, man kann die Zahlen recht gut erkennen.
Ich weiß, dass es Experten unter Euch gibt, würde mich über Hilfe freuen.
Ich sag schon mal vielen Dank!
Grüße aus der Pfalz.