f_luxus
Diagnose: Zwangsangebasst
Es una cagada...A mi tampoco!
Folge dem Video um zu sehen, wie unsere Website als Web-App auf dem Startbildschirm installiert werden kann.
Anmerkung: Diese Funktion ist in einigen Browsern möglicherweise nicht verfügbar.
Es una cagada...A mi tampoco!
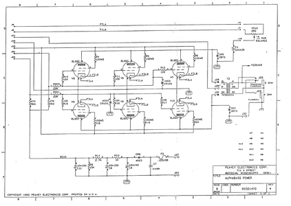
Wie ich es mir gedacht habe, wenn der deutlich wärmer gebiast wird hat der locker über 200 Watt und dann ist der bestimmt auch laut genug. MmmhWie zu erwarten war ist der AlphaBass extrem niedrig eingestellt.
Anodenspannung 480V
Kathodenspannung 29,4V
Kathodenstrom 20 mA
.. wenn ich auf die Schnelle richtig gemessen habe.
35-40 mA wäre wünschenswert, denke ich.
Preamp und Amp:
Anhang anzeigen 634632
So um die 40+. Diese Amps wurden Mitte/Ende der 1970er hergestellt.
Ui, wie alt ist der denn? Also der Peavey.
Noch nie nicht gesehen.
Kommt hin. Das müsste die Serie vor den 400BH gewesen sein. Und da hab ich den MK III so 81 oder 82 gekauft.So um die 40+. Diese Amps wurden Mitte/Ende der 1970er hergestellt.
Die Endstufe classic 120 120 hat Presence und Resonanz Regler, die wie Bässe und Höhenregler funktionieren. Die Endstufe kann mono 240 Watt und zwei Mal 120 Watt. Der TB Raxx hat 2 Tone Stacks mit unterschiedlichen Frequenzen unter anderem 30HZ. Dazu kann man in Zimmerlautstärke sehr schöne Zerre haben. Also alles besser als am Alpha Bass.@rawlikefishrob ich verlagere das mal gerade hier rüber, hier passt es thematisch ja hin.
Wie würdest du die Kombi TB raxx plus Endstufe im Vergleich zum Alphabass beschreiben? Den Alpha vermisse ich manchmal schon bissl...
Magst du ihn zurück?@rawlikefishrob ich verlagere das mal gerade hier rüber, hier passt es thematisch ja hin.
Wie würdest du die Kombi TB raxx plus Endstufe im Vergleich zum Alphabass beschreiben? Den Alpha vermisse ich manchmal schon bissl...

