Folge dem Video um zu sehen, wie unsere Website als Web-App auf dem Startbildschirm installiert werden kann.
Anmerkung: Diese Funktion ist in einigen Browsern möglicherweise nicht verfügbar.
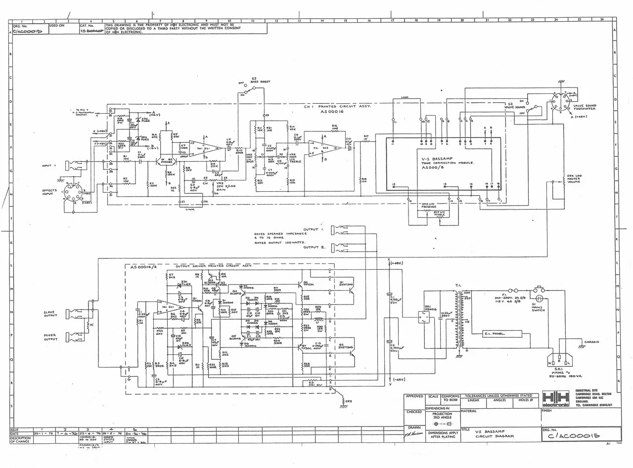
 ... bin zwar neugierig, aber kein Techniker... sind evtl. die Siebelkos fertig ???... hat wer einen Schaltplan und ne Idee ?
... bin zwar neugierig, aber kein Techniker... sind evtl. die Siebelkos fertig ???... hat wer einen Schaltplan und ne Idee ? 
 
		
				
					
				
			hallo helge, schreib doch mal eine mail an maj: http://www.majelectronic.co.uk/, die haben auch (noch einige) ersatzteile auf halde
 Danke
 Dankebei Brumm kommt es drauf an: wird das Brummen mit dem Masterpoti lauter oder ist es vom Master unabhängig?sind evtl. die Siebelkos fertig ?
Wird nur lauter, wenn ich den Master aufdrehe... sonst Alles fein und kein Brummen, wenn der auf Linksanschlag steht.wird das Brummen mit dem Masterpoti lauter oder ist es vom Master unabhängig?
. hat wer einen Schaltplan und ne Idee ?

 
 hallo helge, schreib doch mal eine mail an maj: http://www.majelectronic.co.uk/, die haben auch (noch einige) ersatzteile auf halde
hab gerade auch ein bisschen bei maj geschnüffelt, es gibt dort anscheinend sogar die serviceunterlagen (zu kaufen)
 
  
  
 Hey Helge, ich würde mir so ein Ding (das Brikett) vorsorglich auf Kante legen und wäre dabei.
 
 
		
				
			 
 
		
				
			 
 
		
				
			 
 
		
		 
 
		
		