Folge dem Video um zu sehen, wie unsere Website als Web-App auf dem Startbildschirm installiert werden kann.
Anmerkung: Diese Funktion ist in einigen Browsern möglicherweise nicht verfügbar.
Hat der GUMA eigentlich genug Output um direkt an die Endstufe zu kommen?




Ich hätte gerne nen “eins für alles multieffekt“ also tuner, beide gumas und n preamp mit DI in einem Gehäuse aber der mehrnutzen rechtfertigt den aufwand nicht
Pitchblack ausschlachten, GUMAS und Grizzly Deluxe in ein Gehäuse und gib ihm![]()
Pitchblack ausschlachten, GUMAS und Grizzly Deluxe in ein Gehäuse und gib ihm![]()
Sehr schön!
Ich hätte gerne nen “eins für alles multieffekt“ also tuner, beide gumas und n preamp mit DI in einem Gehäuse aber der mehrnutzen rechtfertigt den aufwand nicht
DAS werde ich immerwieder gefragt.Pitchblack ausschlachten, GUMAS und Grizzly Deluxe in ein Gehäuse und gib ihm![]()
meh! Findest du den gut? Ich hatte den hier und fand ihn wirklich stark verbesserungsbedürftig. Es ist quasi ein Sound/Zerrgrad vorhanden. Und dieser ist dann auch noch vom Output des Basses abhängigampeg analog preamp
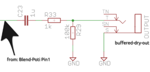
?Dry Thru
?
Was macht das? Dem Verzerrten nicht das gebufferte sondern das Eingangssignal hinzuzumischen?
?
Was macht das? Dem Verzerrten nicht das gebufferte sondern das Eingangssignal hinzuzumischen?
Siehe dazu z.B. den B7K von Darkglass.
...ich habe vor einiger Zeit ein paar Schalter bei Aliexpress geordert und wollte die mal ausprobieren, daher hab ich einen von denen verbaut. Mir war nicht bewusst dass bei dir eine Unterlegscheibe aus Metall dabei ist, hoppla. Nächstes Mal. ^^die Plastik-Unterlegscheibe macht einen billig Eindruck. Ich leg doch immer eine hübsche aus Edelstahl bei - wieso hast du die nicht genutzt?
Ah stimmt natürlich! Das hatte ich ganz vergessen.Mit dem Switch auf der gegenüberliegenden Seite schalte ich dann zwischen dem ungebufferten Signal vom Eingang und dem Gebufferten vom Blendregler hin- und her. Das Gebufferte ist mMn etwas schöner für passive Bässe (geringe Impedanz -> kein Tonesuck), funktioniert aber nur wenn der Guma nicht im Bypass ist, während das Ungebufferte immer aktiv ist. Weil mein Guma in dieser Anwendung allerdings quasi always on ist wird das Gebufferte genutzt.
Ich verabscheue regelrecht diese weißen Scheiben....ich habe vor einiger Zeit ein paar Schalter bei Aliexpress geordert und wollte die mal ausprobieren, daher hab ich einen von denen verbaut. Mir war nicht bewusst dass bei dir eine Unterlegscheibe aus Metall dabei ist, hoppla. Nächstes Mal. ^^
Das ist für mich der Inbegriff von billig. Bin ich bei dir.Das ist für mich der Inbegriff von billig.![]()
Ich kann dir sagen, dass dieser GUMA bestimmt nicht von Lazarus selbst ist (Auch nicht von mir). Es gab gewisse Anspannungen zwischen Schalltechnik und DarkglassDouglas.Scheint einer von lazarus zu sein...frag doch mal an... https://www.ebay-kleinanzeigen.de/s...-anlehnung-microtubes-b3k-/718427099-74-16382
Falls mir meiner nicht gefallen sollte, melde ich mich nochmal bei dirWenn jemand einen GUMA Drive loswerden möchte, hätte Interesse.
