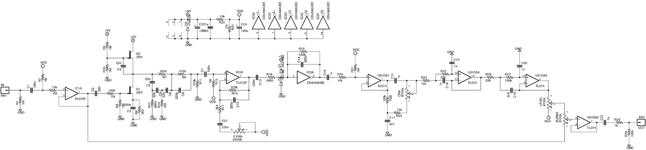
mimimimi ...auf 470pf geändert werden muß
ich hab wohl noch einen mit 251 als Aufschrift. Sollten nach Adam-Riese 250pF sein, oder? Kann ich ja dann nach meinem 1/8-Wissen zu dem 220pF parallel verlöten, oder?
Also für den MOD ...
Folge dem Video um zu sehen, wie unsere Website als Web-App auf dem Startbildschirm installiert werden kann.
Anmerkung: Diese Funktion ist in einigen Browsern möglicherweise nicht verfügbar.
mimimimi ...auf 470pf geändert werden muß
Jau, kannste genau so machen.mimimimi ...
ich hab wohl noch einen mit 251 als Aufschrift. Sollten nach Adam-Riese 250pF sein, oder? Kann ich ja dann nach meinem 1/8-Wissen zu dem 220pF parallel verlöten, oder?
Also für den MOD ...

Ich habe gestern den Guma Antique fertig gemacht (nicht mein erstes Gerät, dass ich als Bausatz von MD erworben und gebaut habe). Allerdings tut sich da nichts ...Kann es sein, dass du den T074 verkehrt herum eingesteckt hattest? Oder hattest du womöglich ein starkes verpoltes Netzteil dran hängen?Ich hoffe, ich kann vermelden, dass es das war und dass der "TL074" nicht ZU heiß geworden ist.
Über die beiden Clampdioden.Wie bekommt der eigentlich seinen Arbeitspunkt?
